CIRCULAR 28
PARA: DISTRIBUIDORES DE GASES LICUADOS DEL PETRÓLEO (GLP) POR REDES.
DE: DIRECTOR EJECUTIVO
REF: ASPECTOS BASICOS PARA LA PRESTACIÓN DEL SERVICIO PÚBLICO DE DISTRIBUCIÓN DE LOS GASES LICUADOS DEL PETRÓLEO (GLP) POR REDES.
5 DIC. 1997
Tradicionalmente en el país se ha venido ofreciendo el servicio de distribución del GLP a través de cilindros o tanques estacionarios, pero sólo en los últimos dos años se han venido creando empresas cuyo objeto social es la prestación del servicio público domiciliario de gases licuados del petróleo por redes de ductos.
Frente a las múltiples consultas que recibe la Comisión al respecto, y con el fin de ofrecer a las empresas interesadas en la prestación de este servicio la información que les permita actualizarse de manera general en los aspectos legales y regulatorios, se presenta como documento indicativo la presente circular.
Cordialmente,
JORGE MERCADO DIAZ
ASPECTOS BASICOS PARA LA PRESTACIÓN DEL SERVICIO PÚBLICO DE DISTRIBUCIÓN DE LOS GASES LICUADOS DEL PETRÓLEO (GLP) POR REDES INTRODUCCIÓN:
El presente documento tiene como finalidad dilucidar adecuadamente aquellos interrogantes que se presentan con más frecuencia en la prestación del servicio público de GLP por redes.
Su objetivo principal es aclarar los diferentes aspectos legales y regulatorios, que tanto las empresas, como las autoridades municipales, consultan con más frecuencia ante ésta Comisión.
El documento pretende dar claridad principalmente en temas como la naturaleza jurídica de las empresas que prestan el servicio público de GLP por redes, los requisitos para constituirla, los permisos requeridos y el derecho a obtenerlos, los derechos y responsabilidades de los prestadores de los servicios públicos, los derechos de los usuarios y el procedimiento para la fijación de tarifas.
ASPECTOS LEGALES Y REGULATORIOS:
Empresas de Servicios Públicos: Las empresas de servicios públicos son sociedades por acciones cuyo objeto es la prestación de los servicios públicos establecidos en la Ley 142 de 1994.
Todas las personas tienen derecho a organizar y operar empresas que tengan por objeto la prestación de los servicios públicos dentro de los límites de la Constitución y la ley. (Art. 100.) l El nombre de la empresa debe estar seguido por las palabras “Empresa de Servicios Públicos” o las letras E.S.P. (Art. 19.1) Su duración puede ser indefinida. (Art. 19.2) Las empresas pueden funcionar aunque no se haya hecho el registro prescrito en el artículo 756 del Código Civil, para los actos relacionados con inmuebles.
La empresa se disuelve únicamente por las causales previstas en los numerales 1 y 2 del Artículo 457 del Código de Comercio, o en el evento de que todas las acciones suscritas lleguen a pertenecer a un accionista. (Art. 190.
Num 12) Al verificarse una de las causales de disolución, los administradores están obligados a realizar aquellos actos o contratos que sean indispensables para no interrumpir la prestación de los servicios a cargo de la empresa, además de cumplir con las exigencias establecidas en el numeral 130. del artículo 190.
Las empresas de servicios públicos se rigen por las reglas del Código de Comercio sobre sociedades anónimas. (Art. 19.15) l Las empresas de servicios públicos que tengan objeto social múltiple deberán llevar contabilidad separada para cada uno de los servicios que presten, y el costo y la modalidad de las operaciones entre cada servicio deben registrarse de manera explícita. (Art. 180. Ley 142/94).
Independientemente de su objeto social, todas las personas jurídicas están facultadas para hacer inversiones en empresas de servicios públicos.
Servicio público domiciliario de gas combustible. Es el conjunto de actividades ordenadas a la distribución de gas combustible, por tubería u otro medio, desde un sitio de acopio de grandes volúmenes o desde un gasoducto central hasta la instalación de un consumidor final, incluyendo su conexión y medición.
La Ley 142 es igualmente aplicable a las actividades complementarias de comercialización, desde la producción y transporte de gas por un gasoducto principal, o por otros medios, desde el sitio de generación hasta aquel en donde se conecta a una red secundaria. (Art. 14.28. Ley 142/94).
La regulación está a cargo de la Comisión de Regulación de Energía y Gas; la vigilancia y control las ejerce la Superintendencia de Servicios Públicos Domiciliarios, a quien corresponde imponer sanciones a las empresas que violen las normas a las que están sujetas.
El sector del Gas Combustible comprende al Gas Natural y a los Gases Licuados del Petróleo GLP o Gas Propano. Las principales normas que regulan el sector son:
La Ley 142 de 1994 o Régimen de los Servicios Públicos Domiciliarios. (Art. 1o.
Ley 142/94) El Decreto 1842 de 1991, o Estatuto Nacional de Usuarios de los Servicios Públicos Domiciliarios. (Art. 90. Ley 142/94) La Ley 286 de 1996, que modificó parcialmente las leyes 142 y 143 de 1994.
La Ley 401 de 1997. (Artículo 1o.) Las Resoluciones CREG.
La Resolución 80505 del Ministerio de Minas (17.03.97).
Permisos. Las empresas de servicios públicos debidamente constituidas y organizadas no requieren permiso para desarrollar su objeto social, pero para poder operar deben obtener de las autoridades competentes, según sea el caso, las concesiones, permisos y licencias de que tratan los artículos 25 y 26 de la Ley 142, según la naturaleza de sus actividades. (Art. 22) En cada municipio, quienes prestan servicios públicos están sujetos a las normas generales sobre planeación urbana, la circulación y el tránsito, el uso del espacio público, y la seguridad y tranquilidad ciudadanas; y las autoridades pueden exigirles garantías adecuadas a los riesgos que creen.
Los municipios deben permitir la instalación permanente de redes destinadas a las actividades de empresas de servicios públicos, o la provisión de los mismos bienes v servicios que éstas proporcionan, en la parte subterránea de las vías, puentes, ejidos, andenes y otros bienes de uso público, siendo en todo caso responsables las empresas por los daños y perjuicios que causen con la deficiente construcción u operación de sus redes.
El anterior mandato legal obliga por igual a Concejos y Alcaldías Municipales, pues ambos son responsables de que en el municipio se permita la construcción de redes, unos expidiendo por vía general, dentro de su competencia y con sujeción al régimen legal de los servicios públicos domiciliarios, las normas municipales que deben cumplir los prestadores, y las otras ejecutando tales mandatos, así como también otorgando los permisos municipales que de manera expresa autorizó la Ley 142 de 1994.
Las autoridades municipales en ninclún caso podrán negar o condicionar a las empresas de servicios públicos las licencias o permisos para cuya expedición fueren competentes conforme a la ley, por razones que hayan debido ser consideradas por otras autoridades competentes para el otorgamiento de permisos, licencias 0 concesiones, ni para favorecer monopolios 0 limitar la competencia. (Art. 26).
Los permisos municipales para la construcción de redes de transporte y distribución de gas, en cuanto a la exigencia del cumplimiento de normas se refiere, están condicionados exclusivamente a las normas aquí indicadas y no puede entonces exigirse el cumplimiento de otras normas que la ley no previó. No obstante lo anterior, la exigencia de las normas indicadas debe conciliarse con los demás mandatos imperativos contenidos en la ley 142 de 1994, de manera que se haga efectivo el derecho que tienen las empresas de construir redes para el suministro del servicio público, y evitar que, so pretexto de su observancia, incurran las autoridades municipales en favorecimiento de monopolios o en imposición de límites a la competencia, que les está prohibido según lo previsto en el inciso final del artículo 26 de la misma ley.
En síntesis, no pueden las autoridades municipales negar o condicionar el otorgamiento de permisos municipales, en razón de características puramente técnicas que deban reunir las redes para la distribución de gas, pues esta materia es de competencia de la CREG, conforme a lo establecido en el inciso segundo del artículo 28 de la misma ley 142.
En el mismo sentido, si la Nación - Ministerio de Minas y Energía en ejercicio de la competencia atribuida por los artículo 8.2, 40 y 174 de la Ley 142, ha autorizado la contratación de áreas de servicio exclusivo para la comercialización y distribución de gas, no pueden las autoridades municipales negar o condicionar el otorgamiento de permisos para obstaculizar la construcción de redes en desarrollo de dichos contratos, por motivos que debió considerar el Ministerio, ni menos aduciendo razones contrarias a las consideradas, ya que no es de su competencia considerar si se reúnen o no los requisitos para la conformación y contratación de dichas áreas exclusivas.
En conclusión de lo anterior, si la Nación - Ministerio de Minas y Energía ha dispuesto la celebración de un contrato de concesión para la prestación de un servicio público en determinada área, que implica la construcción de redes subterráneas, se entiende que la Nación ha consentido en la utilización del subsuelo para tal fin y no podrá la autoridad municipal oponerse.
El interesado contra quien recaiga un acto de autoridad municipal que le vulnere o imposibilite su derecho a construir redes para el suministro de servicios públicos de energía eléctrica o de gas combustible, puede a través del recurso de apelación solicitar a la CREG su revisión, para que ésta decida si se ajusta o no a derecho. El recurso deberá interponerse y tramitarse de acuerdo con las normas generales contenidas en el Código Contenciosos Administrativo, y en las normas sobre procedimiento contenidas en la Ley 142 de 1994.
No se requiere autorización previa de las comisiones para adelantar ninguna actividad o contrato relacionado con los servicios públicos; ni el envío rutinario de información; pero las comisiones tendrán facultad selectiva de pedir información amplia, exacta, veraz y oportuna a quienes prestan los servicios públicos a los que esta ley se refiere, inclusive si sus tarifas no están sometidas a regulación. Quienes no la proporcionen, estarán sujetos a todas las sanciones que contempla el artículo 81 de la Ley 142 de 1994. En todo caso, las comisiones podrán imponer por sí mismas las sanciones del caso, cuando no se atiendan en forma adecuada sus solicitudes de información.
Redes. Todas las empresas tienen el derecho a construir, operar v modificar sus redes e instalaciones para prestar los servicios públicos, para lo cual cumplirán con los mismos requisitos, y ejercerán las mismas facultades que las leyes y demás normas pertinentes establecen para las entidades oficiales que han estado encargadas de la prestación de los mismos servicios, y las particulares previstas en esta ley.
Las empresas tienen la obligación de efectuar el mantenimiento y reparación de las redes locales, cuyos costos serán a cargo de ellas. (Artículo 280. Ley 142/94) Responsabilidad de instalaciones. Toda instalación deberá cumplir con las normas técnicas y de seguridad correspondientes señaladas por el Ministerio de Minas y Energía. (1)El distribuidor no podrá distribuir gas natural o GLP en ningunainstalación interna o tanque estacionario de almacenamiento que no cumpla conestas normas. De hacerlo así, se hará acreedor a las sanciones correspondientesque determine la Superintendencia de Servicios Públicos, sin perjuicio de las sanciones civiles o penales a que haya lugar.
Las instalaciones, antes de ser puestas en servicio, deberán someterse a las pruebas de hermeticidad, escapes y funcionamiento, y en general a todas aquellas que establezcan los reglamentos, normas o instrucciones vigentes.
Pruebas que deberá realizar el distribuidor.
El distribuidor será responsable por el estricto cumplimiento de las normas de seguridad, protección al medio ambiente y urbanísticas en sus redes.
Adicionalmente, será el responsable de que las instalaciones receptoras de los usuarios cumplan con los requisitos mínimos de seguridad, haciendo para tal efecto las pruebas correspondientes, llevando un registro de las mismas.
Solamente los empleados o representantes debidamente autorizados del distribuidor podrán conectar el gas en cualquier nuevo sistema, o en cualquier antiguo sistema de tuberías del cual se hubiera interrumpido el uso del servicio de gas. Esto corresponde tanto a las instalaciones del distribuidor, tales como tuberías y servicios, como a la instalación interna del usuario.
Cuando se desarrolle un sistema para distribución de propano por redes, la empresa distribuidora de gas combustible deberá realizar sus diseños de manera tal que pueda transportar en forma indiferente gas natural y propano(GLP).
Toda instalación de gas propano (GLP), deberá diseñarse para que una vez entre en operación el gasoducto urbano, pueda formar parte integral de este y permita la conducción de gas natural.
Tarifas. En desarrollo de la ley 142 de 1994, la CREG, por medio de las Resoluciones 083 y 084 de 1997, estableció la fórmula general de costos y las fórmulas tarifarias de las actividades de los comercializadores mayoristas y distribuidores de los gases licuados del petróleo (GLP), así como las aplicables por producto y transporte a los grandes comercializadores.
Es muy importante señalar que ninguna empresa prestadora del servicio público de gas combustible puede comenzar a prestar el servicio a pequeños consumidores (consumidor de menos de 500.000 pies cúbicos día -pcd- o su equivalente en m3 hasta el 31 de diciembre del año 2001) sin tener en cuenta la estructura tarifaria, autorizada por la CREG.
' I:I 17 de marzo de 1997 el Ministerio de Minas y Energía expidió la Resolución 8 0505, que constituye el reglamento técnico al cual debe someterse el almacenamiento, manejo, comercialización mayorista y distribución de GLP.
Una vez la empresa haya definido las respectivas tarifas de acuerdo con la fórmula general, la metodología y los cargos aprobados por la Comisión, debe publicarlas en un diario de amplia circulación nacional o del lugar donde presta el servicio, e informar a la Superintendencia de Servicios Públicos y a la CREG, antes de empezar a aplicarlas. Mientras no se hava cumplido con este procedimiento, ninwna empresa puede efectuar cobros a los usuarios clasificados como pequeños consumidores.
Subsidios y Contribuciones. La CREG, al analizar las tarifas existentes al entrar en vigencia la Ley 142/94 para la distribución de los gases licuados del petróleo (GLP), encontró que no existían factores que se estuvieran aplicando a ciertos usuarios para dar subsidios a los usuarios de los estratos 1, 2 y 3, es decir, que a la entrada en vigencia de la Ley 142 de 1994, no existían contribuciones ni subsidios para el servicio público domiciliario de gas licuado del petróleo (GLP). (Resolución CREG 117 de 1996).
Derechos de los Usuarios. La CREG, mediante la Resolución No. 67 de 1995, adoptó el Código de Distribución de Gas Combustible por Redes, que deberá ser observado por las empresas que desarrollen este tipo de sistemas. El Código desarrolla el Decreto 1842 de 1991 (Estatuto Nacional de Usuarios) y otras normas que consagran derechos a favor de los usuarios.
Adicionalmente, la Resolución 108 de 1997 señala los criterios generales sobre protección de los derechos de los usuarios de los servicios públicos domiciliarios de energía eléctrica y gas combustible por red física, en relación con la facturación, comercialización y demás asuntos relativos a la relación ente la empresa y el usuario. Es esta Resolución, en concordancia con lo establecido en la Ley de Servicios Públicos Domiciliarios, la que deberá tener en cuenta la empresa al momento de elaborar su contrato de condiciones uniformes. (Arts. 128 y S.S. Ley 142/94).
ANEXO RESOLUCIONES GLP. ( Hasta el 30 de Octubre de 1997).
1995.
067 21.12.94. Por la cual se establece el Código de Distribución de Gas Combustible por Redes.
1996:
026 27.03.96 Por la cual se definen los criterios, características, indicadores ymodelos de carácter obligatorio que permiten evaluar la gestión yresultados de ias empresas de servicios públicos de GLP (7 has)
057 30.06.96 Por la cual se establece el marco regulatorio para el servicio público de gas combustible por red y para sus actividades complementarias.
073 10.09.96 Por la cual se fijan precios de comercialización y distribución del gas licuado del petróleo (GLP) y se dictan otras disposiciones (4 págs)
074 10.09.96 Por la cual se regula el servicio público de gases licuados del petróleo (GLP) y se dictan otras disposiciones (28 págs)
091 15.10.96 Por la cual se modifica la Res. CREG-073 del 10 de septiembre de 1996 sobre precios para el GLP
111 26.11.96 Por la cual se establecen los criterios y las metodologías con arregloa las cuales se definirá el régimen tarifario de comercialización y distribución de los gases licuados del petróleo (GLP), y se dictan otras disposiciones.
117 28.11.96 Por la cual se establece, para el servicio público domiciliario de distribución de los gases licuados del petróleo (GLP), cuáles eran, dentro de las tarifas existentes al entrar en vigencia la Ley 142 de 1994, los factores que se estaban aplicando para dar subsidios 1997:
083 29.04.97 Por la cual se establece la fórmula tarifaria general de costos y las fórmulas tarifarias de las actividades de los comercializadores mayoristas y distribuidores de los gases licuados del petróleo (GLP) y se dictan otras disposiciones.
084 29.04.97 Por la cual se establecen las fórmulas tarifarias por producto y transporte aplicables a los grandes comercializadores de los gases licuados del petróleo (GLP) y se dictan otras disposiciones.
110 10.07.97 Por la cual se fijan los precios de comercialización y distribución del gas licuado del petróleo (GLP) o gas propano, y se dictan otras disposiciones. (4 págs., DOF 43083A4.07.97)
144 29 08.97 Por la cual se resuelve el recurso de reposición interpuesto por la Empresa Colombiana de Petróleos, ECOPETROL, contra la Resolución CREG-084 del 29 de abril de 1997.
146 29.08.97 Por la cual se modifica la Resolución CREG-074 de 1996, mediante la cual se.reguló el servicio público domiciliario de gases licuados del petróleo (GLP), y se dictaron otras disposiciones.
80505 17.03.97 Reglamento técnico al cual debe someterse el almacenamiento, manejo, comercialización mayorista y distribución de GLP. (Ministerio de Minas y Energía)
La Comision De Regulacion De Energia Y Gas (CREG)
Ministro De Minas Y Energia (MME)
Loss of Electric Energy on the
Colombian Electric System – Phase I
Report
July 9, 2002
Prepared For The
CERI – Colombia – CIDA
Energy, Mining and Environment Project
Prepared by
PS Technologies Inc.
Table of Contents
1Executive Summary
2 Purpose of the Studies
2.1 Introduction
2.2 Purpose
3 Technical Review of Losses on High Voltage Systems
3.1 Planning
3.2 Operations
3.3 Administration
3.4 Losses on the Colombia High Voltage System
3.5 Comparison of Losses on other High Voltage Systems
3.6 Economically Optimal Loading for High Voltage Lines
4 Technical Review of Losses on Low Voltage Systems
4.1 Planning
4.2 Operations
4.3 Administration
4.4 Losses on the Colombian Low Voltage System
4.5 Comparison of Losses on Other Low Voltage Systems
5 Options and Strategies to Manage Losses
5.1 Recommendations for Colombia
5.2 Low Voltage Systems
6 Regulatory Practices Dealing with Line Losses
6.1 Regulatory Tools
6.2 Technical Losses
6.3 Non-Technical Losses
6.4 Data Integrity
6.5 Additional Tools
Glossary of Terms
References
Appendix A 1 Executive Summary
This report is the first in a series of studies to assist CREG is developing new regulations effective January 1, 2003 governing the loss of electric energy in the distribution, regional transmission and national transmission systems in Colombia.
The total amount of electric energy lost in the Colombian electric system during 2001 is estimated at between 5,300 and 10,500 GWh at a cost of 510 billion to 1,010 billion Pesos per year ($220 million to $440 million US per year). For the purposes of a single point forecast, the estimated loss of electricity is 7,330 GWh/year, at a cost of 700 billion Peso, or $310 million US.
The losses on the STN are estimated at 560 GWh per year at a cost of 55 billion Peso or $25 million US. The majority of losses occur on the STR and SDL systems with energy losses of 6,770 GWh per year at a cost of 645 billion Peso or $285 million US.
The lost energy was priced at $42 US/MWh (96 Col Peso/kWh), which is based on discussions with UPME (UPME indicates long term average marginal costs of $39.16 to $42.99 US/MWh for 2005 to 2010 in US$2000: Generation – Transmission Reference Expansion Plan 2001/2015 dated October 12, 2001), but is slightly higher than recent market prices for energy (energy, constraints, capacity) of $34 US/MWh (78.4 Col Peso/kWh).
The losses on the STN are lower than or equal to optimum levels from a perspective of economics of line losses. The STN is a network designed for reliability in the event of a contingency, and this robust planning and design effectively manages losses. The STN constitutes a small portion of the total losses, and therefore the focus of subsequent reports will be losses on the regional transmission and distribution system. Some recommendations are made to assist in the management of line losses on the STN.
The losses on the distribution system appear higher than optimal. Information on the distribution system at this time is insufficient to accurately determine the line losses. The losses on the distribution system are comprised of technical line losses, which result from electric loading of the distribution system, and non-technical losses, which result from administrative inefficiencies and ineffective business practices.
Colombia experiences high levels of both technical and non-technical losses on their distribution system when compared to other jurisdictions in North American and experiences similar levels of losses to east European and some South American counties. This report options the options available to the CREG to provide incentives for better management of electricity losses.
2 Purpose of the Studies
The Canadian Energy Research Institute issued a Solicitation of Interest (SOI) 012/2001 on June 28, 2001. PS Technologies Inc (Power System Technologies) produced a response to the SOI dated October 9, 2001 and this response became part of the contract for consulting services. Power System Technologies personnel traveled to Bogotá in November 2001 to gather information for this project and found that the CREG was most interested in losses on the low voltage systems. Since the October 9 proposal emphasized analysis on the high voltage system, Power System Technologies revised the proposal for services on December 3, 2001 to emphasize analysis on the lower voltage systems.
Even with the change in emphasis as indicated in the December 2001 proposal, the original introduction and purpose from the SOI remain relevant and are summarized as follows.
2.1 Introduction
Charges for use of the Regional Transmission Systems and the Local Distribution Systems are integrated unit charges for each voltage level. These charges are calculated by dividing the accumulated costs by the useful energy at each voltage level. The measure of useful energy corresponds to the energy available less energy losses as recognized by the methodology used to calculate charges. Energy losses were deemed in Resolution 031/1997 for retailers, and in Resolution 099/1997 for distribution operations. Energy losses for distribution operations were set at 1.5% for Level 4, 3.0% for Level 3, 5.0% for Level 2, and 15 % for Level 1 when the Resolution was put into effect. Level 1 energy losses were reduced by 1% per year for the regulatory period of 1998 to 2002 as an incentive to reduce losses or improve the efficiency of the distribution system.
Currently, charges are being developed that will take effect beginning in 2003. It is therefore necessary to determine technically efficient levels of losses in transmission and distribution systems in Colombia. The final objective is to capture, through a new methodology for calculating charges, an appropriate level of losses for which the transporter or distributor should be compensated. The transporter or distributor would then be responsible for losses above this efficient level.
For the purpose of this report, technical losses are considered to be thermal line losses plus copper and core losses in transformers. Non-technical losses are energy losses resulting from administrative inefficiencies, errors, theft and fraud. This report is a practical guide to technical and non-technical losses and how a regulatory agency can effectively regulate electric companies to manage losses. Losses that result from corona, induction, acoustics, temporary faults, and other losses that are small in magnitude are not studied in detail in this report.
2.2 Purpose
The purpose of this assignment is to provide CREG with analysis and recommendations regarding the level of technical losses that would be achieved in an efficient regional transmission system or local distribution system. The assignment includes the following items:
2.2.1 A technical review of existing regional transmission systems to determine typical characteristics.
2.2.2 A technical review of existing distribution systems to determine typical characteristics.
2.2.3 Analysis and determination of efficient losses and responsibilities.
2.2.4 Definition of strategies to reduce losses from their current level to efficient levels.
2.2.5 Draft regulations governing recovery of costs associated with technical losses.
Following is an overall description of these items which will serve as an overall framework for the proposal:
2.2.1 A technical review of existing regional transmission systems to determine typical characteristics.
A technical profile of each regional transmission system will be prepared, summarizing data for major transmission lines, voltages, operating characteristics, interconnections, etc. The review will include all factors relevant to calculation of technical losses in transmission. It will also quantify current losses and identify any inefficiency that might exist.
2.2.2 A technical review of existing distribution systems to determine typical characteristics.
This task will be similar to task 1, but will be performed for major distribution systems connected to each STR and the markets served by the SDLs.
2.2.3 Analysis and determination of efficient losses and responsibilities.
Based on the technical profiles developed for items 1 and 2, the consultant will prepare estimates of the efficient level of technical losses that should be permitted based on technical and economic parameters. This determination should be based on standard engineering and economic evaluation methods that will be carefully documented as part of the report. These efficient losses should be determined for typical STRs and typical SDLs in Colombia. This task will also determine which agents should be responsible for losses above the efficient level.
2.2.4 Definition of strategies to reduce losses from their current level to efficient levels.
This task is to define strategies for reducing technical losses to the efficient level. The strategies should indicate the period over which they are to be achieved, key actions to be taken, and agents responsible for those actions.
2.2.5 Draft regulations governing recovery of costs associated with technical losses.
The final task is to prepare a draft regulation describing how STRs and SDLs will be compensated for technical losses based on efficiency criteria, and defining who will be responsible for costs incurred as a result of losses above the efficient level.
The success of this project will depend heavily on the ability of CREG and Power System Technologies to obtain the required information from all stakeholders in Colombia. Power System Technologies will require close communications with the CREG to ensure that the methodologies chosen are consistent with existing regulatory practices. The resulting draft regulations will play a key role in electricity transmission and distribution tariffs beginning in 2003, and must therefore fit properly into the existing regulatory framework.
2.3 Overview of Loss Determination
Energy losses may be categorized as technical losses and non-technical losses with the sum of the two being total losses. Technical losses are associated with heat being generated in conductors, transformers and electrical equipment. These losses may be known as copper losses, core losses, etc. These losses are a function of engineering, planning, design, construction and operation of the electric system. Non-technical losses are associated with commercial and administrative practices. Non-technical losses do not lend themselves to computer modeling, and are a function of the business practices of those companies that perform metering, billing and collections.
Technical losses can be determined through an engineering study, and require engineering judgment be used to develop assumptions as to circuit loading, load profiles, and load factors. The accuracy in the determination of technical losses is a function of the quality of system technical data, and the accuracy of the various assumptions.
The total losses are normally determined by deductive metering (energy purchases minus energy sales). The accuracy of the total losses is a function of the accuracy of metering, and the accuracy of estimated loads for those services that do not have meters.
Non-technical losses are then calculated on the basis of total losses less technical losses. As a result, non-technical loss values are subject to the largest amount of error.
3
Technical Review of Losses on High Voltage Systems
The Colombian high voltage system consists of the STN which is the 230 kV and 500 kV network. Losses on the STN result in lost energy valued at approximately $24 million US per year. Losses on the transmission system can be influenced by one of the three following primary business operations or categories:
3.1 Planning,
3.2 Operations,
3.3 Administration.
3.1 Planning
Planning of the transmission system has a larger influence on the amount of losses than operations or administration. The planning of high voltage systems can be categorized into three steps as follows:
3.1.1 Reliability criteria,
3.1.2 Planning criteria,
3.1.3 Design criteria.
3.1.1 Reliability Criteria
The reliability criterion for an electric system is generally based upon the perception of an acceptable level of reliability. Most jurisdictions use deterministic instead of probabilistic planning criteria. Deterministic criteria are based on physical attributes of the system such as the ability to withstand the loss of transmission components without affecting service, while probabilistic criteria are a statistical measure of system reliability. The level of system reliability is primarily a function of the reliability criteria and planning and design criteria play a lesser role. Generally speaking, the more stringent the reliability criteria are, the more robust and reliable the system is, and the lower the technical line losses will be.
The transmission system in Colombia is planned based on a deterministic reliability criterion. The system is planned to withstand a single contingency (one element, a line or a transformer out of service) while maintaining continuous service to all load. The single contingency criterion (also known as N-1) is quite common in North America and in jurisdictions where the electric system density is similar to Colombia. Some jurisdictions choose a more stringent reliability criterion such as a double contingency (also known as N-2) where the system can withstand the loss of two elements while maintaining service. Some European systems and jurisdictions with a heavy electric system density may choose these more stringent reliability criteria.
Some jurisdictions modify the single or double contingency criteria to accommodate circumstances that are unique to the area. For example, a jurisdiction may use a single contingency criterion coincident to an outage of the most strategic generator, or may consider that a single contingency criterion includes a common mode failure (for example, the failure of one double circuit structure resulting in the outage of two elements).
3.1.2 Planning Criteria
The next step in planning also has system wide impacts and takes into consideration details of various engineering parameters including:
a) Thermal capacity of conductors and equipment,
b) Voltage,
c) Stability, and
d) Economics.
The violation of any one of these four planning criteria results in the requirement to upgrade the system. These four planning criteria act independently of each other and while one criterion may be violated, the other three criteria may be satisfied. For the purpose of this discussion, the following assumes a single contingency criterion, as is the case in Colombia.
a) Thermal Capacity
Thermal capacity is the basic rating in MVA to ensure that conductors and equipment do not overheat causing damage. Some equipment that may be used at different voltage levels will have an Amp rating instead of an MVA rating. Overheating of conductor will cause annealing of the aluminum and result in brittle conductor that fails prematurely. Overheating of transformers will cause premature degradation of the solid insulation and insulating oil resulting in equipment with a reduced useful life. Planning engineers will incorporate factors such as wind, altitude, sunlight, humidity, and ambient temperature to determine the appropriate thermal capacity of equipment. During an outage, the remaining system must be able to provide continuous service without violating the thermal capacity rating of any element. In the case of two parallel lines of equal impedance, the lines would not normally be operated at more than 50% of their thermal capacity. In the event of a single contingency, the remaining line must be able to deliver the total energy without violation of the thermal capacity criterion.
b) Voltage Criteria
The voltage criteria are limits on the allowable voltage level during normal operation. Voltage criteria may be set during normal operation, at the occurrence of an outage, and following an outage. For example, during normal operation, the voltage on the system may have to be between 100% and 110% of the nominal rated voltage, and the voltage drop during a contingency may not exceed 10%, and the voltage must recover to 95% of the nominal voltage (following tap changer operation, etc) following the contingency. A system upgrade may be required to alleviate the violation of any one of these voltage criteria.
c) Stability Criteria
The stability criterion is such that the system remains synchronous during and following a disturbance such as the loss of a large generator, or a large load. If the electrical phase angle between any two points on the system becomes greater than 90 degrees, the system becomes unstable. An unstable system will result in islanding or cascading outages. Stability criteria must allow for disturbances that result from the loss of a large generator or load, and therefore the phase angle prior to the disturbance will be limited to less than 90 degrees. A system upgrade may be required to alleviate instability and to ensure the integrity of the system during a disturbance.
d) Economic Evaluation Criteria
Traditional planning criteria sometimes omit economic evaluation criteria. This occurred on the assumption that if other planning criteria were met, the system was reasonably economically efficient. More recently, economic evaluation criteria are considered to ensure the economically efficient planning of the electric system. Economic criteria are based on a cost benefit analysis of various upgrades and system configurations. The economic criteria is such that whenever the cost of upgrading the electric system is less than the economic benefit that such upgrade provides, the upgrade should proceed. The benefits of an upgrade may include a reduction in transmission constraint costs, line losses, increased capacity, etc. Economic criteria are broadly defined in comparison to the three previous criteria that may be well defined in engineering terms.
In Colombia, the cost of constraints is relatively high as a result of transmission outages that occur after guerilla attacks. Additional circuits to reduce the cost of constraints has the additional benefit of reducing losses.
In high voltage systems, voltage and stability planning criteria tend to govern system upgrades while in low voltage systems, thermal capacity, voltage and economics planning criteria tend to govern.
3.1.3 Design Criteria
After the requirement for a system upgrade has been recognized, further design criteria apply. The design criteria consider factors such as corona, tensile strength, etc. Design criteria generally have very little system impact with respect to reliability and affect primarily construction. However, design criteria generally work to reduce overall system losses.
Design criteria, in addition to other planning criteria may result in an electric system that is over-designed from the perspective of optimal line losses.
There are several design criteria that influence the conductor size and consequently line losses. Since these constraints are technical in nature and must be met to maintain the integrity of the system, it is possible that satisfying these constraints results in a conductor size that exceeds the optimal conductor size for economic efficiency. The technical constrains that influence conductor size include;
a) Corona,
b) Span length,
c) Weather loading,
d) Tertiary Windings on Power Transformers.
a) Corona
Corona is the discharge of electrons at surface of a transmission line conductor when the electric-field intensity on the conductor surface exceeds the breakdown strength of the air. The breakdown strength of air is influenced by density (altitude) and humidity. Corona losses are the cause of other undesirable characteristics such as Radio or Television Interference (RI and TVI), audible noise and corona losses. Reduction of the surface voltage gradient to prevent corona requires the bundling of 2 or more subconductors, a larger single conductor or both.
b) Span Length
Where spans are long, smaller and lighter conductors will tend to swing more, particularly in exposed spans. The conductor swing can cause conductor interference between phases or between circuits for double circuit structures. Larger and heavier conductors tend to swing less thus resulting in less phase conductor flashover and interference without increasing circuit-to-circuit spacing or phase spacing. For this reason larger conductors tend to be used for applications with longer spans.
c) Weather Loading
With larger conductors it is possible to have a significantly higher tensile strength for a relatively smaller increase in conductor diameter. For aluminum conductor steel reinforced (ACSR) conductors this is can be accomplished with higher steel content while still maintaining good electrical properties. Therefore a larger conductor, with a higher tensile strength, may be chosen to accommodate the need for higher loadings due to extreme weather conditions.
d) Tertiary Windings on Power Transformers
During the initial visit to Colombia, it was found that all power transformers had tertiary windings. While tertiary windings increase losses, other design criteria come into play that require the use of tertiary windings. The National Transmission Grid (STN) has a large number of transformers that are Y-Y connected with a Delta-connected tertiary winding. The design criteria used to justify the additional windings include:
· Stabilization of the neutral point of the fundamental voltage during a line to ground fault, and to improve voltage regulation if there are unbalanced line-to-ground loads,
· Protection of the system and the transformer from excessive third harmonic voltages,
· Reduction in telephone interference due to third harmonic currents in the lines and earth,
· Supply local load at a third voltage,
· Maintain an effectively grounded system,
· Facilitate the relaying of system faults,
· Prevent a series resonant circuit for third harmonics from developing on the system.
The benefits of a tertiary winding are offset by:
· Higher transformer losses,
· Increased capital costs,
· Increased cost of moving, and locating the transformer due to the larger size of the transformer with a tertiary winding,
· Increased cost of buswork and protection, when terminals as terminated externally,
· Possibility of tertiary failure increasing the transformer failure rate.
Tertiary windings are an example of where design criteria for protection, etc, appear to outweigh objectives such as minimization of losses. Design criteria must be properly set on the basis of minimizing the overall cost, not simply minimizing losses.
Optimization of a line during the planning and design stages requires the balancing of several conflicting constraints. In order to meet various reliability, planning and design criteria, a high voltage network may become overbuilt with respect to optimal line losses.
The planning and design of high voltage transmission systems tend to be governed by criteria other than economics of line losses and therefore high voltage systems often appear to be over designed when considering only line losses. The Colombia high voltage system appears to be over designed with respect to line losses as shown later in this section. Not withstanding over design with respect to line losses, other improvements can be made on the Colombia high voltage system to reduce losses.
3.2 Operations
The operation of a high voltage system also affects the losses on the system within limits that are largely dictated by the planning and configuration of the system. In order to minimize losses on a high voltage system through operations, the operators should:
3.2.1 Increase the voltage level to the maximum allowable,
3.2.2 Minimize the flow of reactive power,
3.2.3 Dispatch energy production to minimize losses,
3.2.4 Plan maintenance and outages during low load periods.
3.2.1 Increase the Voltage Level to the Maximum Allowable
The increase of normal operating voltage is a common method of reducing losses. The increase in operating voltage may necessitate the upgrade of some components to insure safe operation at a higher voltage. A thorough review of the electric system should be undertaken before operating equipment at levels other than nameplate ratings.
3.2.2 Minimize the Flow of Reactive Power
The minimization of reactive power flow can be achieved by producing reactive power in close proximity to the consumption of reactive power and vice versa. Commercial software such as the Optimal Power Flow (OPF) program is available to assist in the operation of the high voltage system in the most economic manner.
3.2.3 Dispatch Energy Production to Minimize Losses
The cost of line losses should be considered in the dispatch of generation. While the energy market is a function of the offer price of each generator, the dispatch of generation can consider both the offer price, and the incremental cost of losses by generator.
In the event that real time loss calculations are not available, incremental line loss values can be used to determine which generator should be dispatched in the event that two or more generators offer energy at the same price.
3.2.4 Plan Maintenance and Outages during Low Load Periods
Scheduling outages during periods when load is low can minimize the amount and cost of line losses. A simple cost benefit analysis should be conducted when considering the possible times to schedule maintenance.
3.3 Administration
On the high voltage system, administration issues are generally limited to metering failure, meter error, multiplier ratios, and meter data management. There has been no evidence indicating non-technical losses or theft on the high voltage system is a problem in Colombia.
3.4 Losses on the Colombia High Voltage System
The loss on the STN in Colombia range from approximately 1.2% to 2.3% of total energy sales depending on system load and is estimated to average 2% during 2000. The amount of lost energy is expressed in terms of total system load, and not in terms of energy leaving the STN. As a result, the amount of energy lost appears low. When lost energy is expressed in terms of energy delivered from the STN, the losses may be in the order of 5.5%.
The energy lost in the STN is estimated at 560 GWh for 2002 and at a cost of $42 US/MWh, the cost of losses on the STN is 55 billion CP, or $25 million US.
As shown in Figure 1 below, the losses on a network are not exponential as one might expect given that losses are based on the square of the current in a single line. Losses generally increase as system load increases but factors such as the location of additional generation, and load must also be taken into consideration as well as other factors such as transmission constraints, and the effect of planned and forced outages of elements on the transmission system. As a result of the combination of all factors, losses on high voltage networks tend to be directly proportional to load over the normal range of system load. Figure 1 shown below is a chart showing losses on the 230 kV and 500 kV systems at various system loads.

Figure <SEQ> Losses on the Colombia STN Versus System Load
The Center for National Dispatch (CND) provided load flow data. The load flow data shows a snapshot of the electrical system showing load, line losses and transformer losses. This information was used to compile the chart of Losses versus System Load. Linear regression was used to fit a line indicating the average system loss versus system load. The apparent linear relationship between losses and load is a characteristic of an integrated network. Some networks exhibit lower system losses as system load increases to its peak when the last generation dispatched is located near load centers.
3.5 Comparison of Losses on other High Voltage Systems
A simple comparison of losses on various high voltage systems is not easy because each transmission system is unique. First of all, the voltage level definition of a transmission system varies from area to area, and secondly, some transmission systems have relatively more or less lines at each voltage level. Lastly, the density of the area must be taken into consideration. The system most comparable to Colombia in size and density is Alberta. Other jurisdictions included in the comparison tend to have a higher electric density, contain shorter lines and therefore subsequently should experience lower losses.
Colombia has relatively low levels of losses on the transmission system, but when consideration is given for the fact that only losses incurred on the 500 kV and 230 kV circuits, and the calculation is done over total load (even though some electricity is never transported on the STN) the losses on the Colombian STN are quite comparable to other jurisdictions. When compensating for the energy delivered from the STN, the losses are estimated at 5.5%. The losses in Alberta include losses on the 500, 240, 138, and 69 kV systems, and are similar to Colombia at 5.5%.
Colombia does experience high costs of constraints, and this factor may influence the decision to construct the electric system in a more robust manner that results in reasonable losses.

Figure <SEQ> Comparison of Losses on High Voltage Systems
3.6 Economically Optimal Loading for High Voltage Lines
The economically optimum line loading on the transmission system with respect to losses occurs when the cost of losses (energy) on the system and the capital cost of transmission capacity are minimized. The exercise of calculating costs is conducted at each voltage level and conductor configuration while varying the circuit load.
The cost of lost energy is 96 Colombian Peso (CP)/kWh or $42 US/MWh, which is based on UPME values for electric energy for transmission planning purposes. This cost is higher than recent market prices. During 2000, the average weighted cost of energy including the hourly price, trading charges, restrictions, sanctions, and capacity costs was 78.4 CP/kWh, or $34.23 US/MWh based on an exchange rate of 2,282.7 CP per US$ as per January 1, 2001. While market prices are currently lower and change over time, UPME determines the cost of energy based on a long-term view of the cost to produce electricity.
The cost of financing transmission projects is based on Colombian forecasts of corporate structure and capital costs. The financing cost was based on a corporate structure of 50% Debt/50% Equity with the assumptions as shown in Figure 3. The result is a nominal cost of money of 14%.

Figure <SEQ> Financing Costs in Colombia
The capital cost of constructing high voltage lines in Colombia is outlined in Resolution 026 dated June 21 1999. The Resolution lists costs in 1997 US$, and therefore costs were escalated at US inflation and using forecast inflation at 2.70% per year to determine the capital cost for 2003. The costs were converted to CP on the basis of an exchange rate of 2,282.7 CP per US$ (January 2002).
Colombia intends to issue requests for proposals to merchant transmission owners (MTO) who will compete on price to build, own and operate new transmission lines. Other jurisdictions are also pursing MTO's and are experiencing some difficulty regarding:
a) The right of an MTO to expropriate property in order to minimize costs in the public's interest,
b) The right of new generation or load to connect to an MTO line,
c) The limited flexibility that the transmission planning authority has for system reconfiguration because of long-term contracts.
Therefore, it is appropriate to continue to use unit cost information for the purpose of planning the transmission system based on Resolution 26/1999.
Figure 4 outlines the capital cost of constructing new transmission lines.

Figure <SEQ> Unit Cost of Line Construction – Resolution 26/1999
The calculation of losses by line is normalized so that the cost of losses is determined on the basis of distance and the amount of energy delivered. When all costs are calculated on the basis of distance and energy delivered, the technical issues of voltage level, conductor type, conductors bundles, line configuration, etc. are removed from the comparison. This calculation allows a simple economic comparison across voltage levels, conductors, etc.
These losses are line losses only, and do not include the losses that occur in substations, nor the cost of substations or other terminal equipment.
Figure 5 shows costs for a single circuit 230 kV line with 950 MCM conductors. As shown in the chart, the minimum costs occur at a line load of 600 MVA. This line load exceeds the thermal capacity of the conductor, which is 414 MVA (based on House and Tuttle Method). Therefore, in order to minimize the overall capital cost, and cost of losses on this circuit, line loading should be increased to the maximum thermal capacity of the conductor. In this case, the line is overbuilt with respect to losses because the Thermal Capacity criteria governs instead of economics of line loss coming to play.

Figure <SEQ> Cost of Capital and Line Losses for a High Voltage Line
A complete set of calculations for each circuit identified in Resolution 26 is shown in Appendix A.
Figure 5 indicates the economic optimum loading of 600 MVA with respect to line losses and the thermal capacity criterion indicates a maximum load of 414 MVA, and the voltage criteria will limit the optimum loading even further (depending on line length – STN 230 kV circuits average 70 kM in length with a maximum of 210 kM). Based on a single contingency criterion, normal line loading would be limited to approximately 50% of the thermal capacity or less if voltage criteria are violated. Therefore, circuit loading may be limited to approximately 200 MVA as a result of criteria other than economics of line loading. In Colombia, guerilla attacks often result in contingencies that cause congestion or constraints and result in line loading higher than normally planned for. A 230 kV circuit may operate between the thermal capacity (414 MVA) and its normal operating capacity with all elements in service (200 MVA). Assuming that line loading of 300 MVA occurs, losses of 0.01% per kM (refer to Figure 7) are incurred. Further, assuming that energy, on average, is transported 140 kM, the line loss would be 1.4% (transformation losses must be included to arrive at the total STN losses). The amount of losses increases exponentially with line loading, and the percent of energy lost per kM is shown in the following chart using the same circuit as in Figure 6. While the economic optimum loading on this circuit is 600 MVA, this limit would yield losses of 0.04% per kM (refer to Figure 7), or 5.6% on a 140 kM line. Therefore, the economic optimum line losses on the 230 kV circuit is about 4 times greater than the actual amount of losses (in the absence of other planning and design criteria).
The result is that the Colombia high voltage system experiences less loss than is economically efficient when considering only losses. This is consistent with other high voltage systems and results from planning criteria and design parameters governing system upgrades instead of relying solely on the economics of line losses. While other jurisdictions will have different costs of capital, construction and energy losses, the result is consistent that economics of line losses are not constraining criteria when planning an expansion to the transmission system.

Figure <SEQ> Line Loss as Per Cent of Load
For any given voltage level, the total cost of capital and losses can be minimized by increasing capacity through increasing conductor size, installing conductor bundles, or placing multi circuits on a single tower. Figure 7 shows economies of scale that can be achieved at 230 kV.

Figure <SEQ> Minimum Overall Costs and Optimum Load
While increasing conductor size, and adding conductors to a bundle can reduce line loss, the increase in cost cannot be justified from the perspective of line losses. Increase in conductor size, and bundle size, is often driven by other design parameters.
The phenomena of over building line with respect to economically efficient line loss occurs on high voltage systems because of other design parameters. Design criteria apply differently to low voltage lines and therefore the same phenomena do not occur on low voltage systems.
4
Technical Review of Losses on Low Voltage Systems
The Colombian low voltage system consists of the STR (greater than 32 kV and less than 230 kV) and the SDL (32 kV and below). The amount of lost energy on the STR and SDL is estimated at 4,750 GWh per year to 9,940 GWh per year at a cost of between $200 million US and $415 million US per year. For the purpose of a single point forecast, the estimated energy lost on the low voltage system is 6,770 GWh per year at a cost of 645 billion CP or $285 million US.
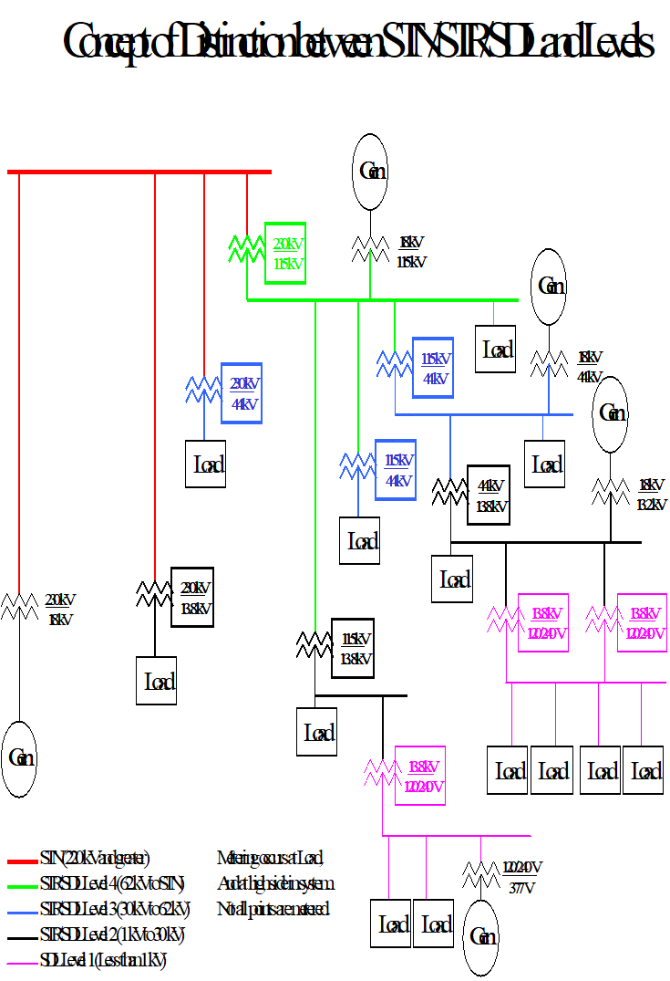
The regional transmission and distribution system is divided into 4 voltage levels consisting of:
Level 4: 60 kV to 220 kV
Level 3: 32 kV to 60 kV
Level 2: 1 kV to 32 kV
Level 1: Less than 1 kV.
Based on initial findings, the bulk of losses in Colombia occur on the low voltage or distribution systems. The losses on the low voltage system are half technical and half non-technical based on discussions with MME. As in the high voltage system, losses occur as a result of one of the three primary functions in the management of an electric distribution system arising from:
a) Planning,
b) Operations,
c) Administration.
The losses on the distribution systems can be better managed through improvements in planning (technical losses), and administration (non-technical losses).
4.1 Planning
The process of planning the low voltage system is similar to that of planning a high voltage system but is less complex because low voltage systems do not normally operate in a network. Low voltage systems, particularly level 1 and 2 in Colombia are often constructed in a radial manner instead of a looped network.
Planning of a distribution system consists of the same steps as a high voltage system as follows:
4.1.1 Reliability criteria,
4.1.2 Planning criteria,
4.1.3 Design criteria.
4.1.1 Reliability Criteria
Most distribution systems do not have an explicit reliability criterion because the system is constructed in a radial manner. Most low voltage systems are radial and if they are on a loop, they have a normally open switch that determines which substation will feed a distribution feeder. Radial distribution systems or looped systems with a normally open switch cannot withstand any contingencies and service is lost when an element of the system fails. The loss of a radial circuit does not increase the flow in other lines, as is the case in a looped system, and therefore outages on the distribution system do not impact the interconnected system in the same manner as an outage on the high voltage system.
Therefore, in radial distribution systems, there are no deterministic reliability criteria regarding outages. When outages on a distribution system become unacceptable, the cause for the outages must be determined and rectified. Most outages on the distribution system are caused by storms, contact with vegetation, or maintenance outages and have an identifiable source.
4.1.2 Planning Criteria
The planning of low voltage systems is simplified as a result of the radial construction of distribution systems. System stability is not a concern on short lines, and the planning criteria are reduced to three criteria as follows:
a) Thermal capacity,
b) Voltage,
c) Economics.
For a further discussion of the purpose of each of these planning criteria, please refer to Section 3.1. The distribution system must be upgraded when any one of these three criteria are violated.
a) Thermal Capacity
With the radial operation of a distribution system, lines and equipment are normally run much closer to their thermal capacity rating. In the high voltage system, normal operations require the ability to withstand the loss of other elements, and therefore normal loading is always lower than the thermal capacity. In a radial system, normal loading can go as high as thermal capacity without the violation of the thermal capacity planning criteria in the event of a contingency.
b) Voltage Criteria
The distribution system must be designed to deliver voltage to the end use customer within specified limits as determined by ICONTEC. There are three basic ways of upgrading the system if the voltage criterion is not being met:
- Add a new distribution feeder,
- Upgrade the conductor size on an existing feeder,
- Add voltage regulators.
All three ways of improving voltage will reduce technical line losses with the first making the largest improvement, and each subsequent method produces lesser amounts of benefits with respect to technical line losses.
c) Economics Evaluation Criteria
The distribution system must be designed such that the lowest overall cost of capital and losses is achieved. In order to accomplish the lowest overall cost, the cost of capital must be weighed against the cost of energy lost on the distribution system. As in the high voltage system, the economic evaluation criteria is general in that a cost benefit analysis is conducted to evaluate the alternatives for upgrading a distribution system.
The economics evaluation criteria will assist in the development of Design Criteria for the distribution system in Colombia. While some distribution companies have embraced the concept of economic efficiency, other distribution companies have not reacted to financial incentives designed to result in economic efficiency.
As shown in Appendix A – Optimal Loading Model by Voltage, high voltage lines are optimally run at or near their thermal capacity. As the voltage level decreases to distribution voltage levels, the optimal line loading is reduced to approximately 60%.
4.1.3 Design Criteria
Design criteria appear to have a major impact on the amount of technical losses on the distribution system in Colombia. In particular, design standards for Level 1 voltages appear to be a major contributor to the current level of technical losses.
While design standards for construction of the distribution system appear to be a major contributor to technical losses on the distribution system, design standards for the placement and sealing of meters (part of the commercialization function in Colombia) appears to be a major contributor to the current level of non-technical losses.
Technical analysis remains to be done in subsequent reports but at first glance, the parallel secondary/primary Level 1 system, along with standards for conductor sizing on the secondary system appear sub optimal.
In order to reduce the level of line losses, new design standards may be required for some distribution utilities. In the event that state owned distribution utilities do not react to financial incentives, MME may consider imposing design standards that are more economically efficient.
Implementation of new design standards may require a rebuild of the distribution system. A rebuild of the entire distribution system is expensive and time consuming and may not be warranted until the system has depreciated and requires a system rebuild. The opportune time to upgrade the distribution system is at the end of the useful life of a system because the system will be rebuilt in any event.
Future reports will make recommendations as to the appropriate time frame over which new standards may be economically implemented, and the change in technical losses that will occur along with upgraded design standards.
4.2 Operations
Power System Technologies was not able to obtain information regarding the operations of distribution systems in Colombia. Based on our discussions, and an informal tour of distribution facilities, it does not appear that changes in operations will result in significant reductions in technical line losses in Colombia. Operations personnel may play a role in managing non-technical losses and this will be covered in administration.
Operations will not be a focus of future reports because of the limited ability to influence losses on the distribution system.
4.3 Administration
Non-technical losses account for approximately half of all of the losses on the distribution system and therefore the value of energy lost in non-technical losses is approximately 330 billion CP or $145 million US per year.
Non-technical losses arise from a range of sources starting including:
4.3.1 Ineffective business practices,
4.3.2 Employee induced losses,
4.3.3 Theft and Fraud.
As indicated in Section 4.1, design criteria regarding meters in Colombia facilitate the loss of electric energy through theft and fraud.
4.3.1 Ineffective Business Practices
Ineffective business processes lead to non-technical losses. Non-technical losses can consist of non-technical energy losses as well as non-technical financial losses. These problems can be categorized in the following groups:
Ineffective Business Practices – Non-technical energy losses
- Billing system is not notified of additional new loads,
- Billing occurs on unmetered services where actual consumption exceeds the estimated consumption,
- Meter multipliers are incorrect resulting in erroneous meter data,
- Meter faults,
- Inability of employees to enter and inspect the electric system for theft,
Ineffective Business Practices – Non-technical financial losses (the following four points normally constitute a part of non-technical losses for a retailer, but is not considered a recoverable loss by the retailer in Colombia)
- Collections processes are slow or lax ,
- Penalties for late payment are insufficient to encourage timely payment,
- Non-payment by customers, who can afford payment of their energy services,
- Non-payment by customers, who cannot afford payment of their energy services,
Lack of audit processes
In order to minimize non-technical losses associated with poor business practices, the business practices must be well documented, employees must be well trained, and employees need a support network to deal with difficult situations.
Energy losses will occur whenever a new service is constructed but energy sales do not show up in the administrative system. A process must be put into place to ensure that the service is invoiced. A common problem in this area is streetlights, because there are a large number of such services, and they are not metered. Occasionally, metered services are constructed, and no new account is opened, and service is never invoiced.
Services may be constructed without a meter when the energy consumption at the site is small and predictable, as is the case with a streetlight. However, some services add new load without advising the invoicing group, and therefore, such new load is never invoiced and becomes part of non-technical losses.
When metering equipment includes potential and current transformers, the ratings on the transformers (meter multipliers) must be entered into the billing system to insure that the energy consumption is correctly correlated to the meter register. Incorrect meter multipliers will contribute to non-technical losses.
When meters fail, or are inaccurate, the energy consumption is not properly registered and this energy loss contributes to non-technical losses.
The electric system or the meter may be inaccessible to the employee, therefore prohibiting the employee from reading the meter or auditing the system for theft, contributing to non-technical losses.
The remaining factors do not contribute to non-technical energy losses, but do contribute to financial non-technical losses.
Collections practices are directly related to the amount of collections of bad debt. A quick collection process results in greater collections of bad debt .
A lack of financial penalty for late payment results in customers paying late, or failing to pay completely for service.
There is currently a world wide problem of non payment for electricity by customers. The problem is particularly acute when the customer simply cannot afford to pay for such services. Various technologies may be used to limit service, or to extract some payment from these customers. This is a particularly difficult problem to deal with and will be the subject of further study.
Finally, most distribution companies have inadequate audit practices based on other jurisdictions. Distribution utilities must improve their audits to ensure that all services are properly invoiced, and that non-existent services are no longer invoiced. This could occur through the creation of an internal audit department responsible for testing billing accuracy and completeness, or contracting with a knowledgeable outside party to perform a business practices audit with respect to billing accuracy and completeness.
4.3.2 Employee Induced Losses
Employees are often in a position to manage non-technical losses, but unfortunately, they are also a large contributor to non-technical losses. Employee induced losses overlap with both ineffective business practices, and theft and fraud. These factors may contribute to both non-technical energy and financial losses. Employees can contribute to non-technical losses as follows:
- Employees have the knowledge to bypass established business practices,
- Employees have the knowledge to change meter data to reduce bills,
- Employees have the knowledge to tamper with meters,
- Employees have the knowledge to bypass meters,
Based on experience, one major source of non-technical loss is utility employees. Employees are technically competent to bypass meters, or otherwise defraud the system and may do so for their own benefit, and the benefit of their friends and relatives. Employees have also been known to sell their services at large. The most effective programs to deal with employees include education of all employees and termination of those employees who steal.
4.3.3 Theft and Fraud
Some customers will steal or commit fraud in order to obtain electricity and customers may indulge in the following:
- Connecting load to the service conductors prior to the meter,
- Tampering with the meter so that the meter registers less than the actual consumption,
- Bribery of meter readers to report erroneous meter data,
Customers may feel justified in stealing electricity if they see it is a common practice or if they see or hear of distribution company employees doing the same. Customers may also feel justified in stealing electricity if they see other customers getting electric service at no charge.
In some countries like eastern European countries, customer attitudes are such that after a serviceman has disconnected service for non payment, the customer simply goes to the service panel and reconnects the service himself.
Managing theft and fraud requires a multi-pronged approach that includes education, punishment, and incentives and requires the cooperation of government and industry.
Non-technical losses have seriously jeopardized some of the utilities in Colombia. These utilities are unable to invest into their systems because of immediate financial problems caused in large part by the losses. One of the difficulties faced by distribution companies in Colombia is their ability to audit their facilities. This difficulty is created for two reasons;
Based on the initial meetings in Bogotá, and viewing the local distribution systems, it was apparent that current distribution standards contribute to high non-technical losses. Primary and secondary conductors enter the customers premises underground and through walls prior to being metered. With respect to current legislation regarding the placement of meters, we expect that many non-technical losses could be eliminated through better design. New design standards would allow audits, and reduce the potential for the bypass of meters.
We expect that the best long term approach of dealing with losses on the distribution system include a review of metering standards. While there are many approaches to reduce losses, one of the most effective long term approaches will be to move the meter away from the customers premises towards the distribution system. Such a move helps resolve many of the contributing factors to losses on the distribution system.
4.4 Losses on the Colombian Low Voltage System
Losses on the Colombian STR and SDL are estimated at 17.5% of the total energy sales. This estimate is based on information obtained from various organizations in Colombia including some of the distribution and retail companies. The author has relied on the information provided by these organizations and has not audited any of this loss information to verify accuracy. This estimate of losses is based information provided by Codensa, MME, EPSA and EPPM. Codensa and EPPM distribute approximately 36% of the total electricity, and have weighted average total losses of 12.3%, while the remaining and state controlled distribution companies distribute approximately 23% of the total electricity and have weighted average total losses of 25.7%. These groups together distribute 59% of the total electricity, and have weighted average total losses of 17.5% for 2001.
Both the technical and non-technical losses appear high in comparison to estimates for other jurisdictions, and for economically efficient levels in other jurisdictions.
The determination of more accurate loss information is the subject of subsequent reports. Subsequent reports will also outline a process for distribution utilities to manage losses over the next 5 years. These reports will outline the prudent level of losses on the Colombian low voltage system for the period of 2003 to 2007 inclusive.
Technical losses will be dealt with separately from non-technical losses because the two types of losses are managed differently. Management of non-technical losses can be done administratively in a faster time frame than the management of technical losses, which may require reconstruction of the distribution system. Reconstruction of the system may not be economic until the system has depreciated and requires replacement.
4.5 Comparison of Losses on Other Low Voltage Systems
A review was undertaken to compare the losses on the Colombian low voltage system to those losses of other jurisdictions. When comparing losses in various jurisdictions, one must be cognizant of fundamental underlying differences between electric systems. The two primary factors that influence losses on the distribution system are the electric density (rural versus urban), and design of the system (design criteria used over time that governed voltage level, conductor sizing etc. to construct the existing system).
The design of the low voltage system has changed over time as electricity consumption has grown. Design criteria tend to be based on existing amounts of electricity consumption at that time and did not take into account the growth of electricity consumption. Further, the economics of rebuilding a distribution system are such that an overhaul of a distribution system is not economically viable until the end of the useful life of the system. These factors combined result in distribution systems that are sub optimal with respect to losses. Older distribution systems tend to be low voltage on the primary side ranging from 480/277 volt (three phase/single phase) to 13,800/8,000 volt. Older distribution systems also have extensive secondary networks that are occasionally run in parallel with the primary system as is the case in Colombia. Conductor sizing was a function of consumption at each service connection. With increased energy consumption at each service, the size of the conductor is no longer optimal. Newer distribution systems have higher primary voltages ranging from 25,000/14,400 volt to 34,500/19,900 volt. Newer distribution systems also take into account the increased consumption of modern services. Therefore older distribution systems exhibit a higher level of technical losses.
Non-technical losses also tend to be higher on older distribution systems for two reasons:
- Low voltage systems are easier to steal from, and
- Metering standards provide few barriers to theft.
A low voltage distribution system is less dangerous, and less expensive to steal from when compared to a high voltage system since no transformation equipment may be required, and tools to interconnect are simple. Metering standards range from the meter being located on the distribution pole immediately following transformation from primary to secondary voltage, to the meter being located within the customer's premises. When meters are located on the distribution pole, it is much more difficult to tamper with the meter, or bypass the meter in order to steal electricity. Further, if the point of disconnection is on the distribution pole, it is more difficult for a customer to reconnect their service when a serviceman has disconnected the service for non-payment. Non-technical losses tend to be higher where meters are located on the customer's premises and where secondary wires are enclosed in the customer's walls.
The differences in distribution systems from one jurisdiction to another result in large differences in overall losses. Alberta was the only jurisdiction where data was available to differentiate between urban and rural losses and these range from 3.8% to 8.0% based on distribution tariff information and a province wide average of 5.2%. Within the total loss of 5.2%, non-technical losses are estimated at less than 1%.
Figure 8 provides a table of comparison of overall losses on the low voltage systems. As shown in Figure 8, Colombia's low voltage system exhibits a relatively high level of losses in comparison to other low voltage systems. A number of jurisdictions were reviewed to show a range of losses on the low voltage system. Figure 8 shows the range of losses without attempting to focus on systems with either high or low levels of losses.
Subsequent reports will determine economically efficient levels of losses based on current economically efficient design criteria for Colombia. Subsequent reports will also determine the efficient rate of change from existing levels to economically efficient levels. The rate of change for reducing non-technical losses is expected to be much faster than the rate of change for technical losses since some non-technical losses can be reduced through new administrative practices and audits. The prudent level of losses (losses that the distribution company should be able to recover through the regulatory process) will be based on existing levels of losses and the efficient rate of change in those losses to economically efficient levels of line losses.

Figure <SEQ> Comparison of Losses on the Distribution System
5
Options and Strategies to Manage Losses
Based on the initial meetings in Bogotá in November of 2001, and subsequent review, three recommendations have been developed for review or implementation on the STN. The benefits of implementing all three recommendations are estimated to produce savings that exceed the costs of implementing these recommendations. Further study is required to more precisely determine the costs and benefits of implementing these recommendations.
Based on the initial meeting in Bogotá, it became apparent that the main purpose of the project, was regarding losses on the low voltage system. Therefore, all subsequent reports will deal only with the low voltage system and all work regarding the high voltage system will be considered finished with the completion of this report..
5.1 Recommendations for Colombia
The first recommendation does not require any upgrade to the electric system and may be made at minimal cost and may results in the largest benefit. The second recommendation will require the purchase of a computer system and must be evaluated through a cost/benefit analysis.
5.1.1 Dispatch of Generation.
The incremental cost of losses should be considered in the central dispatch of generation. Whenever a generator dispatch is changed, the total loss on the STN also changes. A dispatch to increase generation near a load center normally results in a reduction in losses while a dispatch to increase generation that is a long distance from load normally results in increases in losses. In addition, increased system load generally results in increased losses.
Load flow programs can determine the change in losses associated with a change in dispatch to each generator. These values may be known as Real Time Loss Factors because they are a function of the load flow in the entire system. The Real Time Loss Factor associated with each generator will change as system load changes and as other generators vary their energy production. Real Time Loss Factors may be negative (an increase in dispatch results in a reduction in losses), or positive (an increase in dispatch results in an increase in losses).
The Real Time Loss Factor is calculated based on the change in the cost of losses on the STN associated with a change in dispatch. Therefore, the Real Time Loss Factor is an incremental cost on the transmission system, of energy production at each generation facility.
The Real Time Loss Factor could be added to the offer price of each generator for maximum economic efficiency, or to optimize the overall cost of energy and losses.
Currently, when two or more generators offer energy at the same price, a random algorithm is used to determine which generator is dispatched. As a minimum, when two or more generators offer energy at the same price, the Real Time Loss Factor should be used to determine which generator should be dispatched.
The Real Time Loss Factor, or the incremental cost of losses associated with incremental energy production should be added to the offer price of generation, to break any ties that result from two or more generators offering the same price.
5.1.2 Implementation of an Optimal Power Flow Program.
An Optimal Power Flow Program (OPF) assists the transmission operators in determining optimal voltage levels, optimal switching of capacitors, reactors, tap changers, and other devices to minimize line losses on the overall system. The economics of an OPF program should be reviewed to analyze the costs and benefits of the implementation of such program. The addition and use of a real time OPF program may be beneficial in Colombia. The real time OPF program provides the system operator with information regarding system dynamics including losses and reactive power flow. In addition the OPF program will also provide information for the planning and upgrade of the system, such as where to install additional reactive power devices on the system for the reduction of losses. Operators can also determine the impact on losses of dispatching additional generation or increasing import or export.
Utilities in North America that have had implemented the use of real time OPF programs have experienced an improvement of about 5% in line losses, based on discussions with utilities that have implemented OPF programs.
There are a number of suppliers of real time Optimal Power Flow programs and cost to implement an OPF program would be in the order of $250,000 to $500,000 US depending on the software currently in use by the transmission system controller.
With losses on the STN having an annual value of $24 million US, a reduction in losses by 5% would result in savings of $1,200,000 US per year. Therefore, we recommend the evaluation of an OPF system for the STN controller in Colombia.
5.1.3 Review and Upgrade Voltage Limits.
The Colombia STN is operated at or near nominal voltage and there may be an opportunity to increase this level in order to reduce line losses. A review of operating voltages in other jurisdictions has found that operating voltage can be increased beyond nominal voltage by up to 10% with minimal expenditures for equipment upgrades. The reduction in line loss associated with a 10% increase in voltage is approximately 17%. However, it is essential that the maximum voltage of each individual component (breakers, transformers, instrument transformers) be determined prior to increasing the system voltage.
We recommend a review of operating voltage limits, and increase the operating voltage as appropriate for equipment condition. We also recommend further analysis to determine the costs and benefits of upgrading any constraining equipment to increase the overall system voltage.
5.2 Low Voltage Systems
Based on our initial trip to Bogotá in November and subsequent correspondence, there is insufficient data to provide recommendations for improvements on the low voltage system at this point. Subsequent reports will address:
a) The existing level of technical losses on the distribution system,
b) The existing level of non-technical losses on the distribution system,
c) The economically efficient level of technical losses on the distribution system,
d) The time frame over which technical line losses can be reduced from existing levels to economically efficient levels,
e) The economically efficient level of various components of non-technical line losses,
f) The time frame over which non-technical line losses can be reduced from existing levels to acceptable or economically efficient levels.
g) A review of alternate methods of setting rates based on RCN, with the inclusion of losses to provide appropriate incentives for distributors to effectively manage losses.
h) Forms of differentiating losses such as by rural versus urban, by voltage level, or by distributor, to provide the best price signals to effectively manage losses.
Some distribution utilities have already implemented programs to manage line losses and Colombian experience will contribute to the analysis and recommendations contained in future reports.
6
Regulatory Practices Dealing with Line Losses
6.1 Regulatory Tools
Regulation is said to be a substitute for competition. Therefore, regulations should encourage the regulated company to charge rates approximating those that it would charge if it were operating in a competitive environment. Regulations also provide incentives for regulated companies to act in a manner as if they were subject to market forces of competition. Market forces of competition will encourage companies to reduce costs.
Investor owned companies generally react to financial incentives to reduce their overall cost, thereby capitalizing on the opportunity to earn a reasonable profit. However, there may be instances when regulated companies do not react to financial incentives. A company that is not profit motivated may disregard incentives, and through industry restructuring, instances of moral hazard may occur where companies engage in opportunistic behavior to further their own self-interest at the expense of others. For example, distribution companies in Alberta are no longer responsible for the cost of losses on their system, and these costs are allocated directly to retailers. The distribution companies now may save money by purchasing less expensive, and less efficient transformers, even though the overall cost (when including the cost of losses) to consumers increases. Another example is where a distribution company may encourage the transmission company to build a new source because the distribution company does not want to pay to extend its system (and the investment policy of the transmission system results in no requirement for upfront capita). If the new transmission source is more expensive than the cost of extending the distribution system, then it is economically inefficient to extend the transmission system, even though the transmission extension may occur because of a generous transmission investment policy.
State owned utilities may lack a profit motive and therefore have been known to ignore financial incentives and some jurisdictions are privatizing electric utilities to instill a profit motive. Industry restructuring in some jurisdictions decreed that the cost of line losses be assigned directly to retailers or commercialization. In a situation where a distributor has no incentive to manage or reduce costs associated with losses, the distributor may take the approach to cut all expenditures related to the management of losses resulting in an increase in earnings for the distributor and as losses increase, higher costs associated with losses. The cost of losses are passed on to the retailer and the end use customer and neither of these have any ability to manage or optimize the cost of losses on the distribution system.
Bonbright opines that regulation provides the following four functions:
- Capital Attraction – incentives for companies to devote resources to providing service,
- Efficiency Incentive – ensures service are provided at the lowest possible cost,
- Consumer Rationing – prices are set to prevent waste,
- Compensatory Income Transfer – where funds are transferred from those receiving service to those providing service.
The second of the four functions focuses on incentives to encourage companies to provide service at the lowest possible cost.
Regulatory agencies are charged to look after the public interest and do so by ensuring that electric utilities provide service at the lowest possible cost. The traditional means of providing such incentives is to allow the recovery of prudent costs and disallowing the recovery of costs that are imprudent. The regulatory agency must ensure that electric utilities have appropriate incentives, and do respond to incentives to ensure that overall costs are minimized.
The appropriate management of losses is as major challenge for the CREG. Whether technical or non-technical in nature, excessive losses increase costs (or drive down the productivity) of delivering electricity. Increased costs translate into higher prices for consumers or lower profits for utilities, or both. Of particular interest and concern are utilities that do not, or are not able to react to incentives.
Colombia is not alone in this challenge; other South American and East European countries such as such as Armenia, Georgia, Ukraine, Lithuania, and Latvia face this same challenge. Some countries have moved to privatize utilities to install a profit motive. Some utilities have taken initial steps toward reducing losses. Regulatory agencies continue to monitor progress and provide incentives to encourage utilities to reduce their overall costs through optimization of losses. The regulatory approaches taken by these countries for reducing losses can be grouped into the following categories:
6.1.1 Incentive Based,
6.1.2 Penalties,
6.1.3 Command and Control (imposition of standards).
Regulatory agencies generally prefer the first two methods since the responsibility is put on management to optimize losses. When incentives and penalties fail to achieve results, regulatory agencies may opt to impose standards to prohibit a utility from undertaking a specified objectionable practice or by requiring the utility to implement specific practices. The command and control method requires that the regulatory agency supercede some of managements traditional control and therefore, this method is best used only as a last resort.
6.1.1 Incentive Based
Colombia has adopted an approach that incorporates both incentives and penalties. Incentives are generally structured such that a utility may increase its earnings it they achieve better results than are forecast. This is consistent with the current Resolution whereby the distribution company can recover a preset level of losses, and the preset level of losses declines year by year. To the extent that a distribution company can reduce losses to a level lower than the level set in Resolution, the distribution company can profit and therefore has an incentive to reduce losses.
An incentive based mechanism should have a goal as to the optimal level of losses. Subsequent reports will determine the optimal or ultimate target levels for losses on the Colombian distribution systems.
In Canada and the United States, distribution companies are generally allowed to recover the forecast cost of both technical and non-technical losses. Distribution companies have the financial incentive to manage collections and bad debt, and are able to increase earnings if they improve their collections of non-technical losses.
6.1.2 Penalties
Colombia's current Resolution also contains an element of penalty. If a distribution company cannot achieve the Resolution specified level of losses, the distributor is responsible for those losses in excess of the specified level and receives a lower return on investment. This tool is the same as a regulator disallowing costs of line losses as a result of imprudence. A literature search of regulatory decisions in North America did not produce any occurrences of disallowance of costs associated with losses.
The second tool is similar to the first tool in that incentives are financial, and earnings are either increased or reduced depending on the performance of the distributor.
Financial incentives and penalties will encourage profit-motivated investor owned distribution utilities to improve their economic efficiency or performance. State owned distribution utilities often have additional objectives that are not profit-motivated and may include objectives such as electrification of rural or new areas. For example, an objective to electrify a new region at the lowest possible cost, may conflict with the objective to provide service at the lowest possible cost in the long term. Sub-optimal voltage levels may be used to minimize the cost of construction but result in higher losses over the long term. In cases where financial incentives or penalties do not encourage economic efficiency, other measures must be considered. Another measure that may work is the imposition of design standards.
6.1.3 Command and Control (Imposition of Standards)
The third tool is the tool of last resort that is used when the first two tools are insufficient to encourage a distribution company to act prudently. Based on our initial meeting in Bogotá, some state owned distribution companies have not responded to incentives, and it is not clear that they would respond to future incentives or penalties. If a distribution company does not or can not respond to incentives or penalties, MME may choose to impose standards. Certain minimal standards for planning, design, and administration may be imposed to ensure that a distribution company constructs their system to more appropriately balance increased capital costs with the reduced cost of lower line losses. The distribution company may require some additional resources to ensure that it can meet such standards and government agencies may have to work with these distribution companies to ensure that they can comply.
Subsequent reports will provide recommendations regarding all three methods of managing line losses. Technical and non-technical line losses will be dealt with separately because they are separate management functions. Even though technical and non-technical losses are managed separately, the process of identifying and addressing them in the regulatory regime is similar.
6.2 Technical Losses
Technical losses are normally determined by empirical formulas using conductor/equipment data, and load information. Conductor/equipment data is generally available but load information is generally the most difficult to determine. Colombia may be missing pertinent data to determine the level of technical line losses on the low voltage systems. In areas where data is missing, recommendations will be made to acquire the data, and estimates will be used in order to move forward. The following three steps will be completed:
a) Determine the existing level of technical losses. Unless the regulator has found imprudence in the past, the existing level of technical losses may be used to determine the prudent level of losses to start.
b) Determine the optimal level of technical line losses. This determination of optimal level includes a determination of economically efficient line losses plus the effect of other constraining planning criteria and design parameters. In the long run, the prudent level of losses should be equal to the optimal level of losses.
c) Determination of the transition period – how fast can losses be reasonably changed from the existing level to the optimal level. The transition period must take into account the economics of rebuilding a system prior to the end of its useful life.
The prudent level of losses is the level of losses (and associated costs) that the electric utility may recover from its customers – the retailers. Therefore, the prudent level of losses should start at the existing level, and should ultimately reach the optimal level after the transition period.
This recommendation would continue to use the incentive and penalty method resulting in increased or reduced earnings – depending on the performance of the distributor. The recommendation will also include the imposition of minimal standards for those distribution companies that do not effectively manage losses.
The countries within Central/Eastern Europe and Eurasia have found that the primary reason for excessive technical losses is neglect or deferral of upgrading the system over the years; the system has not kept up to load growth. System upgrades are expensive and financial resources of distribution companies need to be taken into consideration.
6.3 Non-Technical Losses
Non-technical losses are determined as the residual of total losses (energy purchases minus energy sales) minus the technical losses. The error in determining technical losses may be large depending on the availability of load and equipment data. The accuracy of non-technical losses is even more difficult to assess than technical losses because there are no formulas to quantify these losses.
The following subsections outline the work that remains in order to have a complete recommendation to the CREG for the management of losses on the electric system in Colombia.
The same three steps as in Section 6.2 would be followed to determine the existing level, the optimal level, and the transition. The existing and optimal level are difficult to determine and will require some judgment. Non-technical losses will be divided into components as shown in Section 4.3 in order to assist in the determination of transition periods. Those non-technical losses that result from administrative inefficiencies can often be resolved in a shorter time period than non-technical losses resulting from theft and fraud.
The countries within Central/Eastern Europe and Eurasia have found that non-technical losses originate for various reasons, and therefore a single approach for mitigation of these losses is not sufficient. Their actions have focused on regulatory action directed at both the utilities the customer and involved the following approaches;
a) Privatization of the distribution function
b) Elimination of the legal and political barriers to disconnecting service to privileged and non-paying customers.
c) Motivating the distribution company to collect payment.
d) Working to develop strict penalties for individuals who tamper with meters.
Subsequent studies will review progress in other jurisdictions in managing non-technical line losses. Wherever possible, practices from other jurisdictions will be considered in determining transitions periods for moving from existing levels of non-technical losses to optimal levels.
A review of metering standards will be undertaken to determine if changes to existing legislation are appropriate to manage non-technical line losses.
6.4 Data Integrity
There has been difficulty in obtaining information regarding losses for a number of reasons. In some cases, meter data is not available, and some distributors may not compile the data to be useful for the determination and analysis of losses. Some distributors will share the results of their programs to manage and reduce losses and this information will be compiled in a subsequent report. The outcome of subsequent studies is dependent on the availability of this information from Colombia. We understand that the CREG will acquire such information for use in these reports and assist in the acquisition of additional information from distributors and retailers in order to ensure accurate and timely conclusions to these studies. The results of any subsequent reports can only be as accurate as the data input.
6.5 Additional Tools
The three basic regulatory tools can work in conjunction with various regulatory regimes. Colombia has used a 5-year tt period to relate distributn companies and intends to start a new 5-year test period starting in 2003. The regulatory framework in Colombia would be considered performance based regulation (PBR) in North America. All three tools can work either in PBR or traditional rate base regulation regimes.
Additional programs beyond the regulatory world may be considered. Some jurisdictions in the United States have developed programs to deal with customers who simply cannot afford to pay their electricity bills. Those who cannot afford payment of their bill are placed under one of several possible programs designed to collect as much as the customer can afford to pay. Such programs include life-line rate programs, budget billing programs, and percentage of income programs. Percentage of income programs provide that the maximum bill that an individual will pay is set at a percentage of their income. The cost of arrears and bad debts as a result of these programs are recovered from other customers or are recovered from direct government subsidies. Instead of disconnecting customers who cannot afford to pay, the customer simply pays an affordable bill at a discount to the cost of serving that customer. The applicability of such programs in Colombia will be studied and recommendations will be brought forward as to implementation in Colombia.
Metering will be reviewed and recommendations for improvements in metering will be brought forward. It appears that non-technical losses could be reduced through changes to metering standards and the placement of meters further upstream in the distribution systems, although we understand that there are currently legal barriers to moving the meters further upstream. Such changes would inhibit meter tampering and bypass and would also facilitate easier access for meter reading, disconnecting and reconnecting services.
CND: Centro Nacional de Despacho or Center for National Dispatch of the electric system in Colombia
CREG: La Comision De Regulacion De Energia Y Gas of Colombia, the regulatory agency that oversees the gas and electricity industry in Colombia.
EPPM: Empresas Publicas De Medellin E.S.P.
GWh: Giga Watt hour, or 1 billion watt hour, as a unit of energy.
KV: kilo Volt, or 1,000 Volts.
MCM: Mega cirular mils, or cross section area measurements for conductor.
MME: Ministro De Minas Y Energia, the Ministry of Mines and Energy in Colombia.
MVA: Mega-Volt-Amp, or 1 million multiplied by volts multiplied by amps, and which is typically used as a capacity rating for electric equipment.
OPF: Optimal Power Flow program is a software program and associated operating practices that assist the transmission controller to determine optimal times for switching capacitors, reactors, tap changers, etc. to minimize losses on the system.
PBR: Performance based regulation intended to provide strong signals for regulated utilities to improve performance and to share the benefits of such improvements between shareholders and customers.
STN: The national transmission system which is the high voltage system consisting of 230 kV, and 500 kV circuits.
STR: The regional transmission system consisting of low voltage circuits between 32 kV and 230 kV.
SDL: The local distribution system consisting of low voltage circuits below 32 kV.
1. Bonbright, James C., Danielsen, Albert L., Kamerschen, David R, Principles of Public Utility Rates
2. 3rd Annual Regional Energy Regulatory Conference for Central/Eastern Europe and Eurasia, Technical and Commercial Losses, December 1999.
3. Grid Company of Alberta, Factors and Risks Associated with the Management of Transmission Losses in the Alberta Grid, January 23, 1996.
La Comision De Regulacion De Energia Y Gas (CREG)
Ministro De Minas Y Energia (MME)
Loss of Electric Energy on the
Colombian Electric System – Phase II
Report
July 9, 2002
Prepared For The
CERI – Colombia – CIDA
Energy, Mining and Environment Project
Prepared by
PS Technologies Inc.
Table of Contents
- Executive Summary
2 Purpose of the Studies
2.1 Introduction
3 Process for Development of Recommendation
3.1 Stakeholder Involvement
4 Existing Levels of Losses
5 Options and Strategies to Manage Losses
5.1 Technical Losses
5.2 Non-Technical Losses – Commercial Strategies
5.3 Non-Technical Losses – Technical Strategies
6 Optimum Level of Losses
7 Criteria for Development of New Resolutions
8 Development of Resolutions
8.1 Existing Practice of Setting Rates
8.2 Recoverable Losses – 2003 to 2007 – Across Colombia
8.3 Recoverable Losses – 2003 to 2007 – Urban Areas Only
8.4 Recoverable Losses – 2003 to 2007 – Rural Areas Only
8.5 Recoverable Losses – 2003 to 2007 – Across Colombia (25 kV)
8.6 Recoverable Losses – 2003 to 2007 – Urban Areas Only (25 kV)
8.7 Recoverable Losses – 2003 to 2007 – Rural Areas Only (25 kV)
8.8 Recoverable Losses – 2003 to 2007 – Urban Areas Only (25 kV)
8.9 Recoverable Losses – 2003 to 2007 – Rural Areas Only (25 kV)
9 Development of Other Methods
10 Address to Stakeholders
11 Recommendations
Glossary of Terms
References
Appendix A
Appendix B
1 Executive Summary
This report is Phase II of a two part series to the CREG and MME for the purpose of rewriting resolutions that specify recoverable losses and to identify strategies for managing losses of electricity on the Colombia electric system. The recommended level of recoverable losses is based on a forecast of losses on the Colombian system if distribution operators and retailers prudently manage the losses of electricity. The Phase I Report documents the planning, operations, and administration of an electric system and how these processes impact the overall losses on the system.
Losses on the STR/SDL during 2001 are estimated at 6,770 GWh/year at a cost of 645 billion Peso or $285 million US per year and account for 17.5% of energy delivered.
Based on the implementation of the loss management programs identified in Section 5, the losses on the STR/SDL could be reduced to 7.7% by the year 2026, which is equivalent to a loss of 2,980 GWh/year at a cost of 285 billion Peso or $125 million US based on a 2001 system.
The recommended recoverable losses for the period of 2003 to 2007 are based on the forecast of moving to the optimum level of losses by 2026 and are found in Section 8.8 and 8.9.
Section 8 moves through a series of options that start with a simple rewrite of the resolutions with no major structural changes. Section 8 recommends a series of structural changes and shows the impact of those recommended changes. The first recommendation is to differentiate losses for urban and rural areas. The second recommendation is to base the recoverable losses on a more efficient, and more cost effective distribution voltage of 25 kV. The third recommendation is to combine Level 4 and 3, and to refine the losses by the remaining three levels for both the distribution operator and retailer.
Programs to manage losses have focused on non-technical losses. To achieve the reduction in losses identified above, a comprehensive program of dealing with both technical and non-technical losses is required. The cost to implement all of these programs through a rebuild of the entire system could be as high as $950 million US, spent over the next 20 years. This estimate is based on the highest cost scenario, but there has been no extensive study to verify the estimate. There are ranges of strategies identified that will have varying economics, and for economic efficiency, the lowest cost/high benefit programs should be implemented first.
2
The purpose of this report is to provide recommendations to the CREG for the implementation of new Resolutions that will govern the recovery of costs associated with electrical losses on the distribution systems by the distribution operator and the retailers of electricity.
2.1 Introduction
Charges for use of the Regional Transmission Systems and the Local Distribution Systems are integrated unit charges at each voltage level. These charges are calculated by dividing the accumulated costs by the useful energy at each voltage level. The measure of useful energy corresponds to the energy available less energy losses as recognized by the methodology used to calculate charges. Energy losses were deemed in Resolution 031/1997 for retailers, and in Resolution 099/1997 for distribution operations. Energy losses for distribution operations were set at 1.5% for Level 4, 3.0% for Level 3, 5.0% for Level 2, and 15 % for Level 1 when the Resolution was put into effect. Level 1 energy losses were reduced by 1% per year for the regulatory period of 1998 to 2002 as an incentive to reduce losses or improve the efficiency of the distribution system.
Currently, charges are being developed that will take effect beginning in 2003. It is therefore necessary to determine technically efficient levels of losses in transmission and distribution systems in Colombia. The final objective is to capture, through a new methodology for calculating charges, an appropriate level of losses for which the distributor and the retailer should be compensated. The distributor and retailer would then be responsible for the cost of losses above this efficient level.
For the purpose of this report, technical losses are considered to be thermal line losses plus copper and core losses in transformers. Non-technical losses are all other energy losses and include losses resulting from administrative inefficiencies, errors, theft and fraud. This report is a practical guide to technical and non-technical losses and how a regulatory agency can effectively regulate electric companies to manage losses. Losses that result from corona, induction, acoustics, temporary faults, and other losses are small in magnitude are not studied in this report.
3
Process for Development of Recommendation
The structure of this report follows the process that was used to develop the recommendations for new Resolutions and suggestions for optimal development.
The process for the development of recommendations began with an initial trip to Colombia in November 2001 with a purpose of gathering preliminary information and meeting with various stakeholders to obtain a better understanding of the issues regarding electricity losses in Colombia. Prior to the initial trip to Colombia, a review of losses was to consider losses on the STN, STR and SDL. The focus of the issue was narrowed to losses at lower voltage levels and particularly losses on the STR and SDL at Level 1 to Level 4.
The Phase I Report discusses losses on the STN as well as the STR/SDL, and identifies the major factors that influence the losses on an electric system.
A second trip to Colombia occurred in April 2002 in order to get feedback on the draft Phase I report, obtain some more technical data, and meet with various distribution operators and retailers. Codensa also provided a tour of the distribution system in Bogotá showing new construction, and some of the challenges that they face with respect to non-technical losses. The input obtained from the stakeholders is documented in Section 3.1 and the issues are addressed Section 10.
The next step was to determine the existing levels of losses as a benchmark or starting point and this is shown in Section 4. The determination of existing levels of losses was based on data from distribution operators and retailers, MME, as well as technical analysis of data obtained from CREG.
Section 5 then outlines how the level of losses could be reduced to optimal levels and Section 6 outlines the optimum level for losses. The optimum level of losses is based on a number of parameters that may change over time. The optimum level of losses should be reviewed again in 2007 (the last year of the 5 year test period) to review the appropriateness of long-term goals.
Section 7 outlines criteria for the development of new Resolutions. The criteria for the development of new Resolutions also consider universal rate design criteria, and adapts them for use in the regulatory framework of Colombia.
Section 8 outlines a series of recommendations for new Resolutions applicable for 2003 through 2007. These recommendations cover the 5 year test period for the recognized or recoverable losses for the use of the STR and SDL. The recommendations include recoverable losses by distribution operators from the retailer, and by the retailer from the end use customer.
Section 9 provides some recommendations for tools outside of the realm of Resolutions from the CREG that may assist in the management of losses in Colombia.
Section 10 goes back to address input from the stakeholders and indicates how the input was used in the development of recommendations.
Section 11 is a summary of recommendations developed in the report.
3.1 Stakeholder Involvement
PS Technologies and the CREG met with stakeholders including distribution operators and retailers in order to listen to and understand the concerns of these stakeholders regarding the recovery of costs associated with electricity losses. The following is a list of issues raised by the stakeholders that impact the losses on the electric system. These issues are simply documented in Section 3.1 without any analysis as to the merit of the particular issue. Section 10 goes on to analyze each issue as to the advantages and disadvantages, and how the input should be addressed in the final recommendation.
3.1.1 Customer Service
Customer service has not been sufficient to deter a component of non-technical losses. Distribution operators and retailers have been slow to react to customer requests for new service. Further, the paperwork required to obtain a new service is excessive, and the process has been time consuming and inconvenient. Office locations have not always been convenient, and customers were not well informed as to the process of getting a new service. Customer contributions, or up front charges are seen as a barrier to obtaining a new service.
3.1.2 Financing of Loss Management Initiatives
Distribution operators and retailers may not have the financial resources available to make investments to more effectively manage losses.
3.1.3 Meter Tampering
Some large customers are getting very sophisticated with respect to meter tampering. This type of theft is very difficult to find and rectify.
3.1.4 Theft Occurs at All Levels
Distribution operators and retailers have experienced non-technical losses at all levels. Non-technical losses cannot be generalized as associated with a specific geographic area, or with a specific group of customers.
3.1.5 Rural and Urban Losses
Distribution operators and retailers experience higher levels of technical losses when providing service in rural areas. The nature of an electrical distribution system is such that the capital cost, and the losses associated with a rural system are higher than those associated with an urban system.
3.1.6 Feeder Density
Distribution operators and retailers experience higher levels of technical losses on feeders that have a low load density. The nature of an electrical distribution system is such that the capital cost, and the losses associated with a low load density feeder are higher than those associated with a high density feeder.
3.1.7 Vintage of Privatization
Distribution operators and retailers that have purchased their system from the state have been working at better managing electrical losses. Those distribution operators and retailers, who have most recently acquired their business, have had less time to manage losses than those operators and retailers that were first to acquire their business. Therefore, distribution operators and retailers who have had less time to manage losses should be allowed recovery of a higher level of losses.
3.1.8 Area or Zone
Losses of electricity vary from one area to another area. Distribution operators and retailers suggest that loss factors vary by area or by zone to reflect the actual losses experienced in the various areas or zones.
3.1.9 Strata
Distribution operators and retailers experience varying levels of losses depending on the strata of the area being served. They suggest that the recoverable losses should reflect the varying amounts of losses associated with each strata.
3.1.10 Rate Design for Administration
Retailers pay administrative charges to the distribution operator on the basis of a variable charge. Since administrative charges are essentially fixed in nature, there is a cross subsidy between low energy consumption and high energy consumption customers. When a competitive retailer engages a high energy consumption customer, the competitive retailer ends up paying more than a fair share of the administrative costs, and the distribution operator and affiliated default retailer end up with less than their fair share of administrative costs.
4
The recognized level of losses is the recoverable losses shown in various resolutions and these losses vary by voltage level but do not vary by region, area, distribution operator, or any other factor. The actual losses in the electric system will vary with system load, system configuration, that amount of illegal interconnections, fraud, and other factors that vary from area to area.
The existing levels of recoverable losses are laid out in Resolution 031/1997 (later amended by Resolution 159/2001) for retailers, and in Resolution 099/1997 for distribution operations. Recoverable losses for retailers were set at 3.53% for Level 4, 5.06% for Level 3, 7.10% for Level 2, and 20.00%, 18.25%, 16.50%, 14.75% and 14.75% for the years 1998 to 2002 respectively for Level 1. Recoverable losses for distribution operators were set at 1.50% for Level 4, 3.00% for Level 3, 5.00% for Level 2, and 15.00%, 14.00%, 13.00%, 12.00% and 11.00% for the years 1998 to 2002 respectively for Level 1.
The reduction in recoverable losses by 1% per year for the five-year test period was designed as an incentive for distributors and retailers to reduce losses (improve efficiency), and to share the savings with the customers.
The difference in recoverable losses between distributors and retailers is indicative of the relative amount of losses associated with the responsibilities of the distributor and the retailer.
The recoverable losses are a function of the voltage at which service is provided. The levels correspond to voltage as follows:
Level 4: 62 kV up to STN
Level 3: 30 kV to 62 kV
Level 2: 1 kV to 30 kV
Level 1: Less than 1 kV
The correlation of loss to voltage level is an academic exercise based on the assumption that all energy production is inserted into the STN, and subsequently flows down through each voltage level to the end use customer. This assumption is not necessarily valid because not all of the energy flows through the high voltage system. This assumption is further eroded by any move away from large central generating plants to distributed generation. Distributed generation has the benefit of energy consumption near the point of production, and therefore it bypasses the need to be transformed to high voltage for long distance transmission.
The electric system is not linear where energy flows from level to the next. For example, transformation may occur from 115 kV directly down to 13.8 kV or 11.4 kV, in which case, Level 3 has been skipped completely. Further, metering data is not sufficient to differentiate losses by voltage level, nor is it economic to meter energy at each level of transformation.
Figure 1 indicates the existing correlation between voltage level and Level for loss determination. Figure 1 also illustrates that generation can be interconnected at any voltage level and that energy flow is not necessarily linear from Levels 4 through 1.

Figure <SEQ> Correlation between Voltage and Levels for Loss Factors
Therefore, we recommend that the CREG move away from the 4 levels of voltage level classification. As a first step, we recommend that Level 3 and Level 4 be combined into one group, called Level 3.
Less than 10% of the total load is currently served at Level 3 or Level 4, and would be affected by this change since the majority of load is served at 30 kV or less. The consolidation of Level 3 and 4 has no impact of the majority of load.
In order to determine where losses occur, more meter data is required. Meters should be installed at each commercial interface (purchase and sale of energy by distribution operator, retailer and customer). Additional metering at the distribution feeder level, or at the low side of a transformer that steps the voltage down to the range or 11.4 to 34.5 kV may be of value, but it is not possible to quantify the benefits of this additional metering. This data would allow more accurate determination of losses in the future, and will allow differentiation of losses either by voltage level, or by differing functions of transmission and distribution. However, at this time, we make no recommendation with respect to this additional metering because there is insufficient data to carry out a cost/benefit analysis of this metering.
The actual technical losses on the system have been estimated through computer modeling, and through estimates provided by some distributors and retailers. The actual non-technical losses can only be estimated through deductive metering information less technical losses. Information provided by retailers was not audited. In those cases where distributors have insufficient data to model technical losses, the only information available will be the estimation of total losses.
The first method of estimating the total technical losses on the system was by way of information provided by various retailers. The following table shows data for those retailers that provided loss data broken into technical and non-technical losses. As shown, the retailers that have estimated the breakdown between technical and no-technical losses make up slightly more than 1/3 of the total demand and the total technical losses are 13%.
![]()
Table <SEQ> Loss Data Separated into Technical and Non Technical Losses
A second method was used to estimate the existing level of technical losses. A distribution system model was developed to estimate technical losses, and to determine the impact of various scenarios such as varying the voltage and conductor. This is a model of a hypothetical distribution system, and is not intended to model any one actual system. This model results in an estimate of technical losses of 13.37% for the year 2001 when the system is loaded near its thermal capacity. This model also estimates technical losses for rural and urban areas, and uses a weighted average to determine the overall losses. This same distribution model is used later in optimization studies to determine the ultimate level of losses that would be recoverable. The results of this model are shown in the following table.

Table <SEQ> Estimated Technical Losses on STR/SDL by Computer Model
This computer model is based on distribution at 13.8 kV while standard distribution voltages in Colombia range from 11.4 kV to 13.8 kV. As a result of the assumption of Level 2 voltage at 13.8 kV, the estimate of technical loss will be conservative. The Level 1 and Level 2 loss model is based on a radially fed distribution system, with loading up to the thermal capacity of the conductor. Level 3 and Level 4 were based on a separate model that calculated losses for 34.5 kV and 115 kV circuits respectively, based on the average length of these circuits and of typical conductor in Colombia.
A third method was used to estimate the total technical and non-technical losses in the Colombia system. The third method is based on information provided from retailers as to the total loss on the system. With retailers representing 59% of the market share, the average weighted loss was 17.5%. With the largest sample size, this loss data appears to be the best information available. Unfortunately, with this large sample size, there was no breakdown between technical and non-technical losses available. In order to arrive at technical and non-technical losses, the proportion of technical and non-technical loss from Table 1 was used to allocate the Total Loss as shown below.

Table <SEQ> Results of Total Losses for Retailers
Based on these three methods, technical losses are estimated at between 11.4% and 13.4%, and those retailers reporting technical losses, estimate technical losses at 13.0% on average.
5
Options and Strategies to Manage Losses
Technical losses are a function of the current flowing through a line, and the resistance in the line. Decreased resistance, and decreased line losses come at the expense of increased capital costs. The existing deemed level of line losses by voltage level is not sophisticated enough to recognize valid differences in the level of losses. Different distribution systems will experience varying amounts of line losses on the basis of load density, the number of services
5.1 Technical Losses
Distribution operators and retailers appear to focus most of their efforts in the management of non-technical losses. While the management of non-technical losses results in the fastest results, there are also benefits in the management of technical losses. The following list of management strategies includes operational strategies, as well as planning strategies. The operational strategies will have a small impact, but can be implemented at minimal cost while planning strategies will have a larger impact but will require more capital.
5.1.1 Increase the Voltage Level to the Maximum Allowable
Electrical systems operate most efficiently at the highest possible voltage within operational and nameplate rating limits. There are a number of operational means of improving voltage levels including the installation of voltage regulating equipment, capacitor banks, upgrading conductor, conducting planned maintenance during low load periods, optimizing normally open points, balancing load on all three phases and potentially dispatching distribution connected generators to optimize losses. The benefits from these operational improvements are a function of the current state of the electric system, and there was no data to estimate the potential for improvement in this area. The potential for improvement in this area is limited and is generally small in comparison to other areas for improvement as listed below.
5.1.2 Minimize the Flow of Reactive Power
Electric lines with a poor power factor will experience higher levels of losses than those with a good power factor. Poor power factor will occur where load included lightly loaded induction motors. Poor power factor can be corrected through the addition of strategically located capacitor banks. In addition, tariffs that consider power factor both within the rates, and within the terms and conditions will provide an incentive to customers to improve their power factor.
In order to implement a tariff that considers power factor, both kVA and kW must be metered. The additional cost of installing new meters generally outweighs the benefits of providing a financial signal to customers to improve power factor. However, a distribution operator should require all customers to improve their power factor within their terms and conditions of service to an optimal level, for example 90% or 95%. Resolution 108/1997 specifies a power factor of 90% and customers should be audited to maintain this level of power factor. The distribution operator will generally know which customers have poor power factor, and then can approach those customers with the requirement to improve the power factor, without the expense of new meters for all customers.
New meters with kVA and kW measuring ability should be considered for services where power factor may be a problem to ensure that poor power factor can be detected and corrected.
5.1.3 New System Planning
The standard distribution voltage in Colombia ranges from 11.4 kV to 13.8 kV. This voltage range may have been optimal in earlier systems that were designed for lighter loads, and still may be optimal for some unique systems, but this voltage is too low to be optimal for most distribution systems.
A distribution model was developed to consider the capital cost, and the cost of losses to determine the optimal voltage for a distribution system and also to optimize the conductor for the distribution system. The distribution system model was developed to emulate a system typical of Colombia, but was not based on any particular distribution system. The distribution systems in Colombia vary from very short feeders in urban areas to a distribution feeder as long as 186 kM and it is simply not possible to model all of the distribution systems.
The distribution model holds load delivery points constant throughout all of the scenarios (the customers don't move or change), but allows changes in voltage, conductor, transformer efficiency, secondary conductor, and allows the changes in cost associated with each of these parameters. The distribution model is actually two models, one for an urban distribution system, and one for a rural distribution system. The model is for Level 1 and 2, and the regional transmission system (Level 3 and 4) impacts are calculated separately.
This model expands on the work completed in Phase I, that considers optimal line loading. Based on work completed in Phase I, the optimal line loading in a distribution system is approximately 60% of the thermal capacity of the conductors.
A complete listing of the outputs of these models is found in Appendix A for the urban model, and Appendix B for the rural model.
The following table is an extract that shows that the optimum voltage for an urban distribution system is 25 kV. While the 34.5 kV system experiences lower losses than the 25 kV system at Level 2, the important factor is that the overall cost (capital and losses) of the 25 kV system is lower than the 34.5 kV system.

Table <SEQ> Output of the Urban Distribution Model Voltage Optimization
The rural distribution model is similar in structure, but the load density is lower reflecting a rural distribution system. In the case of the rural distribution system, the 25 kV system remains the lowest overall cost (both lowest capital cost and cost of losses). Note that a heavier conductor is optimal in the rural system on the basis that the additional capital cost of the conductor is more than offset by the savings in losses.
The following table is an extract that shows that the optimum voltage for a rural distribution system is 25 kV.

Table <SEQ> Output of Rural Distribution Model Voltage Optimization
Based on these studies, new distribution substations and feeders should be designed to a new voltage standard with a minimum voltage of 25 kV.
5.1.4 Voltage Conversion
A higher distribution voltage and reconfigured distribution system in Colombia would provide a number of benefits (lower cost, and reduction in theft), the question of upgrading the existing system becomes an issue. The cost of upgrading an existing system is relatively expensive, and results in extended outages to customers during the voltage conversion. Based on experience in other jurisdictions, the cost of a voltage conversion is not economic unless the voltage conversion occurs along with another program such as expansion of the system to accommodate growth, rebuild of the system at the end of its useful life, or reconfiguration of the system to manage non-technical losses. In the event that a substation and distribution feeder is experiencing extremely high technical losses, a voltage conversion may be justified on the basis of the improvement in technical losses only, and this should be determined on a case-by-case basis.
A number of steps can be taken to reduce the cost of a voltage conversion such as the use of dual winding or tapped transformers that allow for operation at both the old and new voltage levels. These transformers can be used to reduce costs as well as reduce the outage time associated with a voltage conversion.
A voltage upgrade shortly after the start of the useful life of a distribution system may cost up to 30% of the RCN of the system. At the end of the useful life of a system, a voltage upgrade will cost a premium of between 0% and 15% of the RCN of the system depending on construction techniques, and the ability to arrange for extended outages. Other barriers to voltage conversions include the need to have spare equipment for two different voltages.
On the basis that the value of the entire Level 1 and 2 system is $3.16 billion US, and that a 30% premium is required to convert the voltage, it would cost $950 million US to convert the entire system to 25 kV. On the basis of a 20 year program, the program would cost $47 million per year (2002 dollars) for 20 years and savings would accumulate as the system is converted. The accumulated costs and savings are shown in the following chart.

Figure <SEQ> Accumulation of Costs and Savings of Voltage Conversion to 25 kV.
As shown in the chart, the present value of savings is lower than the present value of costs for the first 8 years, and thereafter, the savings are greater than the cost. From a long term perspective, the voltage should be upgraded.
Since a voltage upgrade is an expensive project, distribution operators may want to review their substations on a case by case basis to determine which substations are most economic to convert to a higher voltage (keep in mind that the chart above was developed based on a 30% premium, and in certain cases, the premium could be much lower, resulting in more economically attractive projects).
Therefore, we recommend that the CREG use 25 kV as the standard for determination of unit costs and losses. The distribution operators can continue to operate and plan their distribution systems at the voltage level that they deem is appropriate, but recovery of costs would be based on the most cost effective voltage level overall.
5.1.5 Upgrade Conductor on Existing Lines
Distribution feeders that are overloaded, or running near their thermal capacity should be upgraded to heavier conductor. The upgrade to heavier conductor has two benefits, the first being lower losses through reduced resistance, and improved voltage, further reducing losses in the feeder. Conductor upgrades must be assessed on a case-by-case basis. While a voltage upgrade is the preferred long term solution, a voltage conversion requires that the entire substation and distribution system be reconfigured at one time, which conductor upgrades alleviate localized problems without larger impacts to other customers.
5.1.6 Transformer Efficiency
Transformers consume energy in the form of core losses or iron losses that are relatively constant and vary with the voltage level, and in the form of copper losses that vary depending on the transformer loading.
Core losses (hysteresis and eddy currents) can be reduced through design alterations of the iron core in the transformer. Thinner laminations and limiting the flux density will reduce losses but will increase the cost of the transformer. Copper losses can be reduced by using a heavier conductor in the winding, which also has the trade off between capital cost and loss of energy.
The optimum transformer efficiency is a function of the loading on the transformer. If a transformer normally runs lightly loaded, or if a transformer is used only for short periods in a year, optimal transformer efficiency will be lower than if a transformer is heavily loaded on a continuous basis.
The CREG has provided transformer efficiency standards, but we have not been able to obtain relative costs and relative efficiencies to test for optimum levels. Canadian standards (CSA – Canadian Standards Association) were tested for economic efficiency. The increased cost of more efficient transformers was not justified by the reduction in losses of electric energy.
The distribution companies in Colombia may wish to review their design standards regarding transformer placement. The distribution models show that the majority of losses occur at Level 1 since there are long and heavily loaded secondary conductors. Using more but smaller transformers will reduce the need to run long Level 1 conductors, and will reduce losses at the level where they are most significant.
5.2 Non-Technical Losses – Commercial Strategies
The nature of non-technical losses is such that they cannot be measured, and are often estimated by subtracting technical losses from total losses. Total losses are estimated by subtracting the total energy purchased, less the energy sold, and therefore are subject to meter error and any error of estimating energy consumption from non-metered loads such as streetlights. Technical losses are estimated using load data, and technical conductor and equipment data, and therefore are also subject to error. These two factors make it difficult to determine non-technical losses with accuracy. Further, when considering individual components of non-technical losses, it is difficult to determine the accuracy of the estimates. Surveys and field inspections are required to provide estimates of individual components of non-technical losses. EPSA have provided estimates in the break down of non-technical losses.
Non-technical losses are broken into five components because each component requires a unique method to manage the losses. The five components include illegal connections, fraud, administrative, Zonas Rojas and metering.
Illegal Connections
Illegal connections are those services that were not authorized by the distribution operator. Electricians or former employees of distribution companies who are familiar with the electric system may construct illegal connections very quickly, and at little cost. Illegal connections constitute an estimated 1/4 of all non-technical losses.
Illegal connections may be resolved through:
a) Improved customer service for new customers,
b) Financing options for customer contributions, or up front capital,
c) A cultural shift, where theft of electricity is not socially acceptable,
d) Enforcement shifts whereby law enforcement recognizes electricity theft as a crime.
The first two factors could be completed in the next 5 year test period, whereas the second two factors will require one generation (25 year) if conditions facilitate the cultural shift.
Fraud
Those losses associated with bypassing the meter, or tampering is considered fraud. The customer has a legal connection but is not paying for all of the electricity consumed. Fraud is estimated to make up 1/3 of all non-technical losses.
Fraud may be resolved through:
a) A cultural shift, where theft of electricity is not socially acceptable,
b) Enforcement shifts whereby law enforcement recognizes electricity theft as a crime.
These two factors are the same factors that contribute to illegal connections and will require one generation (25 years) to resolve if conditions are correct to move the Colombian society to a point where theft of electricity is not acceptable.
Administrative
Administrative losses include losses of energy because the proper administration has not occurred and an invoice is not being issued for payment of the energy. Administrative losses may include inefficient business practices, incompetent staff, or fraud by staff. Administrative losses are estimated to make up approximately 1/4 of all non-technical losses. Our experience in other jurisdictions is that administrative losses are normally the largest component of non-technical losses.
Administrative losses may be resolved through:
a) Education programs for staff,
b) Well understood policies for staff,
c) Effective discipline,
d) Conducting business practices audits.
The corporate culture that allows administrative losses to occur takes some time to shift. We expect that strong management could shift the corporate culture within a period of 5 years. Management must first accept and tackle the issue of administrative losses before staff buy into the need for serious changes.
Retailers may incur further losses through the inability to collect the amount that was invoiced. Collection practices appear insufficient, and customers continue to obtain service even though their accounts are in arrears. Experience elsewhere shows that bad debt increases with the time available between an account going into arrears, and the time at which electricity is disconnected. Therefore, the period prior to disconnection should be very short following an account going into arrears.
Conducting a business practices audit by a firm knowledgeable in electricity systems and billing may prove the most effective means of determining weaknesses in business practices. The audit is often most effective when conducted by an external firm.
Zonas Rojas
Losses associated with Zonas Rojas are considered outside of the scope of a distribution operators or retailers responsibility. Government and law enforcement agencies must provide a safe situation to conduct business. A distribution operator or retailer cannot be expected to operate in an area without a safe business environment. Losses associated with Zonas Rojas are estimated at 1/9 of the total non-technical losses. The amount of losses associated with Zonas Rojas will likely vary significantly from one area to another.
The losses associated with Zonas Rojas are not expected to change significantly in the near future.
Metering
Losses associated with inadequate metering is estimated at 1/12 of the total non-technical losses. While metering standards can be improved to eliminate non-technical losses associated with metering, it would not be economically feasible or practical to replace all of the deficient metering. It is practical to use appropriate meters for new services and to upgrade meters as they require replacement. The losses associated with metering could be eliminated in 11 years on the basis of meter life being 11 years.
5.3 Non-Technical Losses – Technical Strategies
Non-technical losses can be reduced through cultural means and through technical means, and through a combination of the two. Societal complacency with theft and fraud must be addressed through education, awareness and enforcement, and technical standards must be upgraded to impede those who will use illegal or unethical practices to obtain electricity.
Distribution companies in Colombia have begun implementation of new technologies to impede non-technical losses.
Illegal Connections
The use of concentric cables has proven successful in the reduction of illegal connections where illegal cables are connected directly to the low voltage secondary conductors. Concentric cables are technically more difficult to tap into because the grounded shield, and where concentric cables are tapped, the splice is likely to be obvious. However, it is only a matter of time before better connectors and techniques become available, and these concentric cables can also be violated.
Other methods to combat illegal connections are the use of more, but smaller transformers. This configuration will result in transformers being shared among fewer customers. This configuration will results in shorter secondary conductors, which will in turn will results in loss savings in Level 4, the voltage level that experiences the highest level of technical losses. Further, an illegal connection with this configuration will cause overloads in the secondary circuit or transformer and the overload will results in early detection.
Fraud
The existing secondary configuration facilitates fraud through the routing of secondary conductors through the customers' facility prior to the meter. The customer can tap into the secondary conductor prior to the meter and bypass the meter with the new tap.
The location of the meter should be moved further upstream before the secondary conductor enters the customers' premises. In some jurisdictions, meters are moved back to the property line and may be located on a post, or fence at the property line.
The best solution is to move the meter back to facilities owned and controlled by the distribution operator, and to have one dedicated secondary circuit for each individual customer. This configuration may not be practical at this time as a result of existing laws that prohibit the placement of the meter on the distribution operators' facilities. Further, consumer advocates may complain that the meter registers the amount of energy lost in the secondary circuit in addition to the customers' actual energy consumption, and the customer should not be invoiced for this lost energy.
In reality, energy is already lost in the customers circuits, which is being registered through the metered consumption, but granted, by moving the meter back, the amount of lost energy registered on the meter will increase.
Additional benefits of moving the meter back to the distribution operators facilities include the facilitation of new technologies for remote, or automated meter reading, and reduced meter reading costs. When the meter reader does not have to enter the customers property, the number of unreadable meters (no one home to allow the meter reader in) decreases, the number of complaints of property damage (ruined flower gardens) decreases, and meter reader safety improves through a reduction in guard dog attacks.
Administrative
Administrative losses can be better managed through well defined business processes and automation. Automation can assist in a number of processes including new services, disconnection, reconnection, salvage, and meter reading.
Whenever a lineman is dispatched to install a new service, disconnect, reconnect or remove a service, an automated follow up process should be implemented to insure that the proper billing adjustments are made. Where some customers may connect their own new services, the distribution operator and customer should engage in a written agreement, regarding certification processes, and audit processes to ensure that all billing adjustments and paper work are completed in a timely manner. If the customer meets the requirements specified in the agreement, the customer may connect their own services saving time and money for both the distribution operator and the customer. If the customer cannot meet the specified requirements, the customer cannot connect new services. Many distribution operators in other jurisdictions suffer from poor billing practices regarding streetlights and other flat rate or unmetered services. Streetlights are often connected and disconnected without distribution operators knowledge, and billing subsequently is inaccurate. Implementation of these checking practices require that all work be dispatched through a central authority, and that lineman do not react to requests without first getting authorization from the central dispatch.
Automation can also assist in the management of administrative losses through meter reading errors. Automated meter reading saves meter reader time and eliminates manual data entry and therefore eliminates the possibility of error or fraud by the meter reader.
Zonas Rojas
Losses associated with Zonas Rojas are extremely difficult to work with because of the risk to life. Automation may assist whereby switching, and meter reading may occur remotely, thereby avoiding danger to personnel.
Metering
Metering audits should be implemented to thoroughly test the accuracy of existing meters, potential transformers, current transformers, and to make sure the turns ratio and meter multipliers are correctly correlated.
There currently is no requirement to have metering at each voltage level (Levels 4 through 1), nor does it make sense to install metering at each voltage level. Subsequently, it calls into question the differentiation of losses by voltage level. There are examples on the electrical system where a voltage level does not exist in the chain of supply, since the voltage level is stepped down without ever stopping at an intermediate level. It is possible to step down the voltage to such a degree that two voltage levels are skipped. In either case, the customers served at the lower voltage level are still subject to the cumulative losses of each level pursuant to the Resolutions.
We recommend that every service be metered, except in the case where consumption is small and readily predictable (for example streetlights, small rectifiers for cathodic protection, etc). Our understanding was that all services are metered, but unmetered services were evident during our tour of an electric distribution system.
Therefore, we recommend a move away from the four levels to closer reflect the actual system. This may be achieved by grouping Level 4 and Level 3 together in one group. This change is one step towards the recognition that losses cannot be measured by level. This change also reflects the fact that cumulative losses by voltage level do not reflect the actual system where one or two voltage levels may be skipped. There still is the need to differentiate losses for small customers served deep in the distribution system from large customers that are fed from a dedicated large substation at a higher voltage, and therefore we do not recommend one universal loss factor.
Summary
Non-technical losses cannot be eliminated through by one simple approach but must be managed by a number of methods, that are continually updated to obtain better results. While new technologies may facilitate the management of non-technical losses, they cannot eliminate it, and without a cultural shift, non-technical losses will continue. While technical improvements such as concentric cables will reduce non-technical losses, it is only a matter of time that some clever people develop a connected that can tap into the cable without an obvious illegal connection. Therefore, the cultural issues must be addressed at the same time that new technologies are implemented to reduce non-technical losses.
The cultural shifts will come about by trial and error of various programs. Education in schools, community involvement, etc, are successful means of reducing non-technical losses. The distribution operators must assist the government in helping to set good examples, and in becoming a partner for a more just society. Technical means may facilitate management of non-technical losses, but without a cultural shirt, technical means will ultimately be beat by increasingly clever and sophisticated people who are intent on stealing electricity.
6
The optimum level of technical losses is based on the tradeoff of reduced costs of losses against increased capital cost of upgrading the system. The optimum level of non-technical losses is a tradeoff between the increased cost of audits and enforcement with reduced costs of lost energy. The optimum level of non-technical losses is more difficult to determine because of the uncertainty of determining the level of non-technical losses, and the difficulty of determining the correlation between program cost and reduction in losses. In Canada, where investor owned utilities have managed losses for over 20 years, non-technical losses have remained below 1%. Colombia has additional challenges with Zonas Rojas, and therefore, the optimal level of non-technical losses is estimated at 1%.
The optimal level of technical losses was determined with a computer model that was developed to calculate the cost of a distribution system and the costs of losses that would be incurred on the system. The issue of an optimal distribution system is relatively complex because of the choices available regarding transformer cost and efficiency, and conductor cost and efficiency. As a result, an iterative approach was taken to find the optimal system. The model was based on a radial system that accurately depicts a distribution system of Level 1 and 2. The model for the regional transmission system was a simplified system because of the nature of the network for Level 3 and Level 4. The model assumed that Level 3 and Level 4 exist in all cases, but in the actual system, Level 3 and/or Level 4 may not exist when the voltage is reduced in large steps.
The first step was to optimize the secondary circuits, or Level 1 system. The computer model found that #4 AWG conductor resulted in the lowest overall cost of capital and losses. This conductor is significantly larger than the existing standard of #8, and #10, and much larger than secondary conductors that were observed, that appeared to be approximately #12. The second step was to optimize transformers. The computer model determined that existing standards for transformer efficiency were optimal, and that the additional expense of more efficient transformers could not be justified. The third step was to optimize the primary voltage on the distribution system. The model showed that 25 kV was optimal for distribution circuits. The final step was to optimize the conductor based on the findings from the three previous steps.
The data outputs from the computer modeling are shown in Appendix A for urban circuits, and Appendix B for rural circuits.
The following two tables show the result of the optimal distribution system model for a 13.8 kV and a 25 kV distribution system. As discussed earlier, the 25 kV system is lower cost overall in the long term, but requires a capital investment to convert the system. These tables are used as the ultimate goal for technical losses in the development of the recoverable losses resolution. It is forecast that the ultimate goal for technical losses would be achieved in 20 years through either reconfiguration and conductor upgrades at 13.8 kV, or a system rebuild to 25 kV.

Table <SEQ> Optimal Technical Losses when Maintaining 13.8 kV Standard

Table <SEQ> Optimal Technical Losses When Converting to a 25 kV Standard
7
Criteria for Development of New Resolutions
The development of new Resolutions requires a review of the criteria and goals of these Resolutions. The Resolutions governing the recovery of electricity losses are ultimately an issue of rate design, cost of service and determination of revenue requirement. Criteria for determination of these three items have been the topic of numerous books on electric utility regulation, as well as the issue in question in regulatory proceedings around the world.
The agent that is able to manage the losses should be assigned the responsibility to do so. The agent should also be subject to financial incentives, profits and losses, if the agent manages the cost of losses in a superior or inferior manner. On this basis, the distribution operator and retailer should pay for all of the costs of losses, and should be able to recover those costs that it prudently incurs. The Colombia regulatory regime currently operates in this manner with respect to losses on the STR/SDL only.
We recommend against a simple flow through of costs to the end use customer (assignment of the cost of losses to customers within the retailers tariff), because the customer has no ability to manage losses and the agent who could manage the losses has no incentive to properly manage these costs.
The following principles and criteria were used in the proposal for new resolutions.
Transparency
The determination of revenue requirement (capital recovery factor and recoverable level of losses) should each stand on its own merits. Therefore, the recoverable loss factors should as accurately as possible reflect the prudent level of losses, and the forecast level of losses if the distribution operators and retailers operate in an optimal business manner. Further, the recovery of capital should be based on the investments made in the system.
In electric utility regulation in Colombia, there is the possibility of cross subsidization between losses and the recovery of capital. For example, a distribution operator who cannot recovery all of the cost of losses through the loss factor in the Resolution, may recover those costs through a higher capital recovery factor applied to the total asset base. However, this cross subsidization would violate the cost causation principle, and distorts incentives for agents to operate prudently.
Therefore, the capital recovery factor, and the loss factor should be determined independently of each other, and should stand on their own merits.
Although it is academically convenient to consider these factors separately, there is recognition that these two factors are heavily related. For example, if another line is constructed to minimize losses, the revenue requirement will increase as a result of the new line, and the cost of losses will decrease. The regulatory agency may require oversight so that there is a reasonable balance between capital costs and the cost of losses. Further, the regulatory agency may recognize loss management programs through differential unit costs for 13.8 and 25 kV systems.
Recovery of Prudently Incurred Costs
The distribution operator and retailer should be allowed to recover all of the prudently incurred costs. It is in the public interest to set the rates high enough to recover all of the prudently incurred costs so that the agents can remain in business, and to set the rates low enough that customers are not paying windfall profits to the electricity companies. It is not in the public interest to set rates punitively low so that an agent is driven out of business, nor is it in the public interest to set the rates punitively high so that customers are financially harmed.
The distribution operator and retailer should each be allowed to recover the costs associated with their responsibilities. Therefore, all of the technical losses associated with the distribution system have been assigned to the distribution operator on the basis that the distribution operator plans, maintains and operates the distribution system independently of any retail responsibilities. Non-technical losses were considered on a case-by-case basis for determination of the responsible agent.
Illegal connections were assessed to be the responsibility of the distribution operator on the basis that the distribution operator maintains the electric system up to the meter and should deal with any connections on its system that are not authorized.
Losses associated with fraud were assessed at 50% each to the distribution operator and retailer. While the distribution operator is responsible to maintain the system to the meter, the retailer is responsible to manage the meter and to ensure there is not tampering at or near the meter. While the distribution operator has the responsibility for the system, the retailer is better placed to detect fraud at the time of reading the meter, and therefore these losses were assessed 50% to each agent.
Losses associated with Zonas Rojas are beyond the control of either agent, and therefore have be set arbitrarily at 50% to each agent.
The cost of non-technical losses associated with administration is the responsibility of the retailer.
Losses associated with metering were assessed to be the responsibility of the retailer. The retailer is responsible for all aspects of metering and is best placed to manage the responsibility of these losses.
Regulation as a Substitute for Competition
Resolutions must provide incentives for distribution operators and retailers to actively manage their losses to optimal levels. In competitive industries, the companies have the incentive to lower their overall cost to the benefit of the shareholder. As other companies also reduce their costs, competitive pressures result in lower prices to consumers. As a result, both shareholders and customers ultimately benefit through cost reductions.
The new Resolutions should result in savings to consumers, and the shareholder should also benefit if the company is superior in its efforts to reduce its overall costs.
Stability in Rates
Resolutions should provide for stability in rates. While it is often temping to make large changes reflecting near term trends, large changes are confusing to customers, and increase the cost of administration to implement step changes.
The structure in the existing Resolutions provides the appropriate incentives. The loss factors require updating to better reflect the current situation. The loss factors implemented for the years 1998 through 2002 were aggressive in their goals of reducing losses. While the large distribution operators and retailers appeared most progressive in meeting the target loss factors identified in the Resolutions, many distribution operators and retailers did not reduce their level of losses to the level of recoverable losses identified in the Resolutions.
Recommendations for future loss factors are found in Section 8, and provide for stability in rates and for options on how to best differentiate loss factors.
8
The CREG will write resolutions to govern the recovery of the cost of losses to the end use customer by retailers, and to the retailer by the distribution company. These items are currently covered in Resolution 031/1997, amended in Resolution 159/2001 (recoverable by retailer from customers), and Resolution 099/1997 (recoverable by distributor from retailer). This section reviews the overall structure of regulations governing the electric industry, and how these regulations may provide the best signals to distribution operators and retailers to manage losses.
The electric utility regulatory framework in Colombia is based on determination of a revenue requirement through the application of a capital recovery factor or weighted average cost of capital (WACC) to the Replacement Cost New (RCN) of the electric system. Further, the formulas in the applicable Resolutions also allow the recovery of the deemed costs of line losses.
This regime provides the appropriate financial signals for distribution operators and retailers to manage losses. Both the distribution operator and retailer will not earn their allowed return when they fail to meet the target loss factors identified in the Resolutions. The distribution operator and retailer can earn more than their allowed return if their losses are lower than the target loss factors identified in the resolutions.
With rate base regulation, a distribution operator would have a stronger incentive to rebuild the distribution system to new upgraded standards, than with the current form of regulation. With rate base regulation, older facilities contribute little to revenue requirement because they are depreciated, and an upgrade to the system will increase the revenue requirement. With the current form of regulation in Colombia, a system upgrade will not increase the revenue requirement, as much and therefore these is a smaller incentive for the distribution operator to upgrade facilities.
Various forms of regulation including price cap and rate base regulation each can provide incentives to distribution operators and retailers to manage losses. While there are advantages and disadvantages to the various forms of regulation, there is no compelling reason to change from the existing form of regulation and no inherent advantage of other forms of regulation to provide better signals for distribution operators and retailer to manage losses.
8.1 Existing Practice of Setting Rates
Rate setting has been done on the basis of a linear sequential system starting from generators, through STN, and through Levels 4, 3, 2, and 1 respectively. This system works well when all of the generators are large generators producing into a high voltage circuit but his model breaks down when smaller generators connect to the system at a lower voltage. This system is not accurate since some levels may be bypassed through a large step down transformer and generation may be connected to low voltage levels without the energy ever being stepped up to high voltages. Further, metering is not available at each step down meter making it impossible to determine precisely where losses occur, and who is responsible.
We recommend that Level 4 and Level 3 be consolidated into one level. In order to simplify the transition, the new Level 3 would simply be the sum of the current Level 4 and Level 3 loss factors. The impact of this change will be to increase the loss factor for those large consumers that have service at a voltage of greater than 62 kV.
8.1.1 Update of Unit Costs
The unit costs used for the determination of revenue requirements should be upgraded to differentiate between line voltage and conductor type. This upgrade would allow the distribution operator to recover the cost of upgrading the system to manage technical losses.
8.1.2 Term of Resolutions
The current Resolutions were in effect for a 5 year period from 1998 through 2002. The 5 year test period has the advantage of providing certainty to distribution operators and retailers regarding their responsibility for losses. The 5 year test period has the disadvantage that the period is so long that it is difficult to accurately forecast the level of losses over the entire period. Therefore, the CREG may consider a shorter period such as a 3 year period for the implementation loss factors.
8.2 Recoverable Losses – 2003 to 2007 – Across Colombia
The recoverable level of losses for both distribution operators and retailers was developed based on the existing level of losses, the options and strategies of managing losses, the optimal level of losses and the criteria developed above. These levels of losses will provide incentives to distribution operators and retailers to reduce overall losses to optimal levels in the most economically viable and expedient manner. While it is possible to reduce losses faster, that will be impractical, and uneconomic. Those projects that are uneconomic in the short term may be economic when the system is being rebuilt. The end of the useful life of the distribution facilities is a key decision point at which time it may be opportune to rebuild the system to new standards that will achieve an optimum level of line losses.
The recoverable level of losses are designed to continue to provide strong incentives to reduce technical and non-technical losses on the system, by providing resources to invest in loss reduction, and to allow a sharing of these savings with the customer. It appears that most investment in loss reduction has occurred to reduce non-technical losses because this is where the best cost/benefit ratio is observed. The distribution operators must also make further investments in infrastructure to optimize the distribution system over the long term.
Some distribution utilities have partnered with third party contractors to implement loss savings strategies. It is not clear how a third party contractor can have a lower cost of capital than a distribution utility with a monopoly on electric distribution. It is also unclear what obligations are made to third party contractors who make investments in the distribution system in order to reduce losses.
The recoverable level of losses are aligned with the current level to ensure there is no undue discontinuity that occurs when the new Resolutions come into effect.
The following series of figures and tables show the development of the final recommendation for recoverable losses by the distribution operator and retailer. Each series consists of two figures and one table. The first figure shows graphically, the recoverable losses by the retailer, the second figure shows graphically the recoverable losses by the distribution operator, and the table provides the numerical data.
The line in each chart shows the actual and forecast level of losses, while the shaded areas indicate the recoverable or recognized losses.
The first series is on the basis that that the current resolutions will be replaced by new resolutions that is the same in structure, but updated as to values for recoverable losses.

Figure <SEQ> Recoverable Losses – Retailer

Figure <SEQ> Recoverable Losses – Distribution Operator
The same information shown in tabular format is as follows.

Table <SEQ> Recoverable Losses for the Overall System in Colombia
On average, the distribution operators and retailers have made progress towards reducing line losses on the STR/SDL systems. The rate of improvement has slowed considerably for those agents who have progressively managed losses. This occurrence is a natural progression of the law of diminishing returns. These agents can continue to reduce losses by progress will not be as rapid in the past, and this is reflected in the proposed Resolutions.
Some distribution operators and retailers continue to lag behind in their management of losses. The line of actual losses shown in figures above are representative of all of Colombia, and do not show the diversity between distribution operators and retailers. The best retailer is experiencing losses of approximately 10%, while the retailer with the highest loss is experiencing losses of approximately 50%.
8.3
Recoverable Losses – 2003 to 2007 – Urban Areas Only
Urban electric distribution systems will normally experience a lower level of technical losses than rural areas. This is the natural result of shorter distances between customers, which results in lower line losses, and the opportunity to use less expensive conductor. A move to distinguish between urban and rural areas with respect to recoverable losses will better reflect the actual losses on the system.

Figure <SEQ> Urban Electric Distribution System Recoverable Losses - Retailer

Figure <SEQ> Urban Electric Distribution System Recoverable Losses – Distributor
The same information shown in tabular format is as follows.

Table <SEQ> Recoverable Losses for the Urban Systems in Colombia
8.4
Recoverable Losses – 2003 to 2007 – Rural Areas Only
The same analysis carried out in Section 8.3 for urban areas is completed for rural areas with the following results

Figure <SEQ> Rural Electric Distribution System Recoverable Losses – Retailer

Figure <SEQ> Rural Electric Distribution System Recoverable Losses – Distributor
The same information shown in tabular format is as follows.

Table <SEQ> Recoverable Losses for Rural Distribution Systems in Colombia
8.5
Recoverable Losses – 2003 to 2007 – Across Colombia (25 kV)
The analysis in Section 8.2 is carried out on the basis that 13.8 kV remains the standard distribution system voltage with its associated losses. The following data is determined on the basis that the standard distribution voltage is upgraded to 25 kV, and there are reduced losses as well as reduced costs in the long term. Section 8.5 is determined on the basis that recoverable losses will be uniform across Colombia.

Figure <SEQ> Recoverable Losses – Retailer

Figure <SEQ> Recoverable Losses – Distribution Operator

Table <SEQ> Numerical Data for Recoverable Losses – Overall Colombia – 25 kV Standard
8.6
Recoverable Losses – 2003 to 2007 – Urban Areas Only (25 kV)
The analysis in Section 8.3 is carried out on the basis that 13.8 kV remains the standard distribution system voltage with its associated losses. The following data is determined on the basis that the standard distribution voltage is upgraded to 25 kV, and there are reduced losses as well as reduced costs in the long term. Section 8.6 is determined on the basis that these recoverable losses would be applicable in urban areas.

Figure <SEQ> Recoverable Losses – Retailer

Figure <SEQ> Recoverable Losses – Distribution Operator

Table <SEQ> Numerical Data – Recoverable Losses – Urban – 25 kV Standard
8.7
Recoverable Losses – 2003 to 2007 – Rural Areas Only (25 kV)
The analysis in Section 8.4 is carried out on the basis that 13.8 kV remains the standard distribution system voltage with its associated losses. The following data is determined on the basis that the standard distribution voltage is upgraded to 25 kV, and there are reduced losses as well as reduced costs in the long term. Section 8.7 is determined on the basis that these recoverable losses would be applicable in rural areas.

Figure <SEQ> Recoverable Losses – Retailer

Figure <SEQ> Recoverable Losses – Distribution Operator

Table <SEQ> Numerical Data – Recoverable Losses – Rural – 25 kV System
8.8
Recoverable Losses – 2003 to 2007 – Urban Areas Only (25 kV)
Section 8.8 and 8.9 are the last in the series, and these sections form the basis for the recommendation for recoverable losses. The recommendation includes differentiation between rural and urban areas to better reflect actual losses, and to move to a 25 kV standard which is a more efficient standard in the long term, and to combine the existing level 3 and 4 into a new level 3. The distribution operator should be responsible for the technical losses at each level plus 50% of the losses associated with Zonas Rojas and Illegal connections, which are grouped in level 1. The retailer will be responsible for the remainder of losses, which are also grouped in level 1. The following series illustrates the recommendation.

Figure <SEQ> Recoverable Losses – Retailer

Figure <SEQ> Recoverable Losses – Distribution Operator

Table <SEQ> Numerical Data – Recoverable Losses by Level – Urban Areas
8.9
Recoverable Losses – 2003 to 2007 – Rural Areas Only (25 kV)
The analysis in this section is the same as for Section 8.8 with the exception that this analysis applies to rural areas.

Figure <SEQ> Recoverable Losses – Retailer

Figure <SEQ> Recoverable Losses – Distribution Operator

Table <SEQ> Numerical Data – Recoverable Losses by Level – Rural Areas
9
During the course of developing the Resolutions, other issues arose and have been documented for review.
9.0.1 Agent Responsible for Managing Losses
The responsibility of technical losses rests with the distribution operator and he has the ability to plan, maintain and operate the system in a manner to optimize capital costs and losses. The responsibility of non-technical losses rests with both the distribution operator and retailer. If these two entities are not the same corporation, the possibility for conflict and sub-optimization between the two exists. For example, when the distribution operator and retailer are two separate companies, and a meter has been tampered with, the responsibility for correction lies with the retailer, but the financial loss lies with the distribution operator. In this example, the retailer has no incentive to correct the tampering, and the distribution operator does not have the responsibility to correct the tampering. This problem is systematic within the current industry structure. Possible solutions to this problem range from rigorous standards and enforcement of areas with overlap, to a change in the industry structure whereby the distribution operator is given the full responsibility of all distribution system operations including metering.
9.0.2 Imposition of Design and Construction Standards
Some of the state owned distribution systems have not managed losses as effectively as other distribution operators. In order to assist the state owned distribution operators, MME may consider imposing minimum design and construction standards for all new construction with respect to voltage levels, conductors and transformers, to ensure that development occurs in an economically efficient manner. The MME may also consider the imposition of minimum design and construction standards for the rebuild of the system when the distribution system has reached the end of its useful life.
9.0.3 Imposition of Metering Requirements
Consumption and bulk energy data is sometimes missing. New standards for the requirement of metering should be introduced, and the requirement for metering should be aligned with commercial responsibilities. The requirement for metering should be aligned with the review of the requirement for 4 different voltage levels to differentiate rate schedules and loss factors.
9.0.4 Imposition of Metering Standards
As discussed in Section 5.3, the meters should be placed further upstream to better manage illegal connections and fraud. The MME may consider the imposition of standards where the meter must be located on the distribution operators facilities, as a step to manage losses.
10
Stakeholders graciously spent time with the CREG and PS Technologies to provide input into the development of new Resolutions. All of the input was considered and was useful in the development of these Resolutions. In some cases, we find that the stakeholders' request has merit, and the suggestions should be implemented. In other cases, the stakeholders' suggestion must be weighed against other conflicting objectives. In the event that the conflicting objective outweighed the stakeholders' suggestion, we recommend against implementation of the suggestion.
10.1.1 Customer Service
Some stakeholders felt that customer service has been poor. It took too long to get a new service, and the process of getting a new service was complicated and bureaucratic.
The advantage of requiring distribution operators and retailers to improve customer service would result in a reduction in losses.
The disadvantage of requiring certain standards is that this type of intervention results in micro management of the distribution operator or retailers business. The development and maintenance of such standards would be time consuming and expensive. Further, universal standards do not allow for the flexibility that may be required in any particular area resulting from local needs.
We recommend against setting customer service standards. However, we would encourage each distribution operator and retailer to carefully examine their customer service. Those distribution operators and retailers that have upgraded customer service have had success in reducing their losses.
10.1.2 Financing of Loss Management Initiatives
Distribution operators and retailers may not have the financial resources available to make investments to more effectively manage losses. In order to ensure economically efficient expansion, the distribution operator may look to third party contractors to finance system upgrades.
The advantages of third party contractor financing is that the system upgrade will occur even if the distribution operator does not have the resources to upgrade the system himself.
The disadvantages of a third party contractor financing is that the distribution operator may lose control of the system through obligations to the third party contractors. The obligations may restrict the flexibility of the operator to upgrade or reconfigure the system in the future.
Another alternative that should be reviewed is the imposition of upgraded design and construction standards along with a securitization scheme where the upgrades are financed by the distribution operator, and backed by the government. The government may impose resolutions to ensure that the customers pay for the upgrade, and that the government will not be left with the debt.
We recommend against third party contractor financing if it raises the possibility that the third party contract may own, or have rights to parts of the distribution system. Patchwork ownership of an electric system results in complicated operating practices, loss of economies of scale, and ultimately results in higher costs, and/or lower quality of service.
10.1.3 Meter Tampering
Some large customers are getting very sophisticated with respect to meter tampering. This type of theft is very difficult to find and rectify. Some retailers have experience in the detection and correction of meter tampering.
It is not clear how the CREG or MME could assist in the detection of meter tampering. We would suggest that distribution operators and retailers get together to form an association to coordinate efforts, share information, and lobby government for any required regulations, and penalties to assist in the fight against meter tampering.
10.1.4 Theft Occurs at All Levels
Distribution operators and retailers find that theft is not limited to any particular group of customers. The problem of electricity theft appears to be facilitated by a culture that feels that theft from a large corporation is somehow acceptable.
It is not clear how the CREG or MME could assist. We would suggest that the distribution operators and retailers get together to form an association with the purpose of shifting the culture so that it is no longer acceptable to steal electricity. This association may coordinate with, or be the same organization suggested in Section 10.1.3.
10.1.5 Rural and Urban Losses
Distribution operators suggest that loss factors for rural and urban areas should be different to reflect the difference in technical losses that occur on the two systems.
The advantage of this differentiation between rural and urban distribution is that the differentiation more accurately reflects the system. Urban areas have higher load densities and require less line to serve the same amount of load. Lower levels of line loss are directly proportional the shorter line lengths.
The disadvantage of differentiating between urban and rural areas is the perception of discrimination against rural areas.
Another concern that must be addressed is the distinction between rural and urban areas since there is a continuum of load density between remote rural areas, and higher density rural areas, to suburban and urban areas. In addition, some distribution feeders may supply both urban and rural areas.
We recommend that separate loss factors be applied to rural and urban areas to more accurately reflect difference in technical losses in rural and urban areas. The loss factors vary between rural and urban systems today, and will continue to do so as the system becomes optimized. Loss factors are illustrated on average for all Colombia, as well as for urban areas alone, and rural areas alone.
We would recommend that those customers within the corporate boundaries of a city with a population of greater than 50,000 people be considered urban for the purpose of setting rates. A city of 50,000 people or more will correspond to at least one substation dedicated to providing service to the city. For all services in cities with a population of 50,000 people or less, and all services outside of the municipal boundary of cities with a population of greater than 50,000 people, the rural rate would apply.
10.1.6 Feeder Density
Distribution operators suggest that loss factors should be a function of feeder density to reflect the actual losses that occur on each feeder.
The advantage of this differentiation is that feeder density is an important factor in the actual losses that will occur on a distribution feeder.
The disadvantage of using feeder density is that there is a complete spectrum of distribution feeders. Feeder density will vary across the length of the feeder and a distribution feeder may be heavily loaded near the source, and yet be lightly loaded at the end. Further, distribution feeders may cross municipal boundaries making it very difficult to separate feeders into categories. If each individual feeder had a separate loss factor based on its density, the administration would become complex, and expensive. Differentiation of losses by feeder density would be difficult to justify to customers, and would be volatile for those customers who are switched from one feeder to another through the normal course of distribution system reconfiguration.
A review of distribution feeders shows there are 3,414 distribution feeders ranging in length from less than 1 kM up to almost 200 kM with an average length of 26.2 kM. Distribution feeder load also varies from no load to almost 14,000 kVA with an average load of 950 kVA. Feeder load density varies from 0 to 2.4 million kVA/kM for very short lines. There was no correlation between load density and CREG grouping of urban, suburban, rural greater than 50,000 population, and rural less than 50,000 population. The following two charts show the load density of each feeder with data sorted by load density. As shown in the charts, there are no natural break points or categories for classification purposes.

Figure <SEQ> Load Density of Distribution Feeders – Highest Load Density

Figure <SEQ> Load Density of All Distribution Feeders
We recommend against using feeder density as a means of differentiating line loss on the basis of the difficulty distinguishing between groups, the additional administrative complexity, and the difficulty in being able to explain the distinctions to customers.
10.1.7 Vintage of Privatization
Some stakeholders suggest that the year of privatization be considered in the setting of loss factor. Distribution operators and retailers have actively worked at reducing losses following privatization and with a longer time frame, are likely to be more successful.
The advantage of such differentiation is that loss factors would more accurately reflect the actual losses on the system.
The disadvantage of such differentiation is that progressive distributors or retailers would have the benefits of their programs clawed back. Another disadvantage is that such differentiation would distort economic decisions made at the time of purchase of distribution or retailing operations. Those companies that bid on distribution systems would have taken into account the recovery of losses in the determining of their bid price. If loss factors now differentiate based on vintage, their bid development process will have been retroactively distorted.
This concept is shown in the following chart.

Figure <SEQ> Concept of Differentiating Loss Factors by Vintage of Privatization
We recommend against differentiating loss factors by vintage of privatization because it would distort past economic decisions by distribution operators to purchase distribution systems.
10.1.8 Area or Zone
Some stakeholders have recommended applying varying loss factors by area or zone. The advantages of such resolution are that it accurately reflects the losses that occur in an area or zone. However, the losses may be more accurately correlated to some other factor. Other factors such as implementation of loss management programs or rural/urban density provide a stronger correlation.
The disadvantage of implementing loss factor by area or zone is that regional disparity occurs, and to the extent a distribution operator or retailer has been actively managing losses, the benefit of their work will be clawed back, resulting in a retroactive penalty for their active management.
We recommend against the implementation of loss factors varying by area or zone because there is no geographical reason that losses would vary from one area or zone to the next.
10.1.9 Strata
Some stakeholders have recommended that loss factors vary by strata. Some analysis concluded that losses are higher in strata 1 areas. However, we recommend against implementing varying loss factors based on strata for the following two reasons. First of all, a higher loss factor would be applicable to those customers that are paying their bills, and not applicable to those customers that are stealing electricity, therefore, the penalty is applying to the wrong customers. Secondly, there is a subsidy in place for strata 1, and a higher loss factor would simply work against some of the subsidy.
10.1.10 Rate Design for Administration
Administrative charges are essentially fixed in nature, although they are charged on the basis of energy consumption. This results in a cross subsidy between low energy consumption and high energy consumption customers. The rate for administration should be similar in nature to the incurrence of costs to reduce any cross subsidization between competitive retailers, and affiliated default retailers.
The advantage of making the administrative charge fixed, is that a level playing field will be created between competitive retailers and the affiliate default retailer. The change will also enhance economic efficiency through price signals that better reflect the cost of service.
The disadvantage of making the administrative charge fixed, is that customers do not understand or like fixed charges, and are more comfortable with variable charges and the concept of zero consumption, zero bill.
We recommend that the variable charge for administration be changed. Ultimately, the charges should reflect the incurrence of the expense. The rate should be designed to reflect the cost of service. The transition may be staged such that a portion of the administrative charge is fixed, and the remainder of the charge remains based on energy consumption.
11
The following is a summary of recommendations drawn from the body of the report.
As outlined in Section 4, we recommend that Level 3 and Level 4 be combined into one level, known as Level 3, and would apply to all customers served at greater than 30 kV. There is insufficient meter and loss data to justify the differentiation of losses by voltage level. The impact of this recommendation is shown in Section 8.8 and 8.9
Additional metering should be installed at each commercial interface. Metering beyond the commercial interfaces would have to be justified on a case-by-case basis. Computer modeling and estimation may be more cost effective than the addition of metering beyond commercial interfaces. As outlined in Section 5.3, we recommend that every service be metered, except in the case where consumption is small and readily predictable (for example streetlights, small rectifiers for cathodic protection, etc). While in theory, services are supposed to be metered, but many services are not metered.
As outlined in Section 5.3, we recommend a move away from the four levels to closer reflect the actual system. This may be achieved by grouping Level 4 and Level 3 together in one group. This change is one step towards the recognition that losses cannot be measured by voltage level. This change also reflects the fact that cumulative losses by voltage level do not reflect the actual system where one or two voltage levels may be skipped. There still is the need to differentiate losses for small customers served deep in the distribution system from large customers that are fed from a dedicated large substation at a higher voltage.
Loss Factors should be adjusted as shown in Section 8.8 and 8.9 to differentiate losses by rural and urban areas. Further, Level 4 should be combined with Level 3, to reflect the fact that 1 voltage level is often skipped, and that energy flow is not necessarily linear from the STN, through each voltage level to the end use customer.
As outlined in Section 5.1.3, new distribution substations and feeders should be designed to a new voltage standard with a minimum voltage of 25 kV.
As outlined in Section 5.1.4, distribution systems with a voltage of 25 kV are the most cost effective, and the CREG should use that standard when determining recoverable costs and losses. The distribution operators still can operate and construct their system at the voltage level that they deem is appropriate.
As outlined in Section 5.1.6, the distribution companies in Colombia should review their design standards regarding transformer placement. The distribution models show that the majority of losses occur at Level 1 since there are long and heavily loaded secondary conductors. Using more but smaller transformers will reduce the need to run long Level 1 conductors, and will reduce losses at the level where they are most significant.
As outlined in Section 9.0.4 and Section 5.3, the meters should be placed further upstream to better manage illegal connections and fraud. The MME may consider the imposition of standards where the meter must be located on the distribution operators facilities, as a step to manage losses.
CND: Centro Nacional de Despacho or Center for National Dispatch of the electric system in Colombia
CREG: La Comision De Regulacion De Energia Y Gas of Colombia, the regulatory agency that oversees the gas and electricity industry in Colombia.
EPPM: Empresas Publicas De Medellin E.S.P.
GWh: Giga Watt hour, or 1 billion watt hour, as a unit of energy.
KV: kilo Volt, or 1,000 Volts.
MCM: Mega cirular mils, or cross section area measurements for conductor.
MME: Ministro De Minas Y Energia, the Ministry of Mines and Energy in Colombia.
MVA: Mega-Volt-Amp, or 1 million multiplied by volts multiplied by amps, and which is typically used as a capacity rating for electric equipment.
OPF: Optimal Power Flow program is a software program and associated operating practices that assist the transmission controller to determine optimal times for switching capacitors, reactors, tap changers, etc. to minimize losses on the system.
PBR: Performance based regulation intended to provide strong signals for regulated utilities to improve performance and to share the benefits of such improvements between shareholders and customers.
STN: The national transmission system which is the high voltage system consisting of 230 kV, and 500 kV circuits.
STR: The regional transmission system consisting of low voltage circuits between 30 kV and 230 kV.
SDL: The local distribution system consisting of low voltage circuits below 30 kV.
1. Bonbright, James C., Danielsen, Albert L., Kamerschen, David R, Principles of Public Utility Rates
2. 3rd Annual Regional Energy Regulatory Conference for Central/Eastern Europe and Eurasia, Technical and Commercial Losses, December 1999.
3. Grid Company of Alberta, Factors and Risks Associated with the Management of Transmission Losses in the Alberta Grid, January 23, 1996.
Output of Urban Distribution Technical Loss Model
Output of Rural Distribution Technical Loss Model
Optimal Line Loading by Voltage Model